產業快訊
披(pi)露時段:2024-03-12 17:12:21 查詢(xun):799
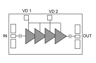
UMS的CHA2266-99F是款自偏置、低躁聲高增益控制驅動軟件拖動器。CHA2266-99F重要在Ku頻段的 VSAT 應用領域需求分析設計的。心片的背脊另外微波rf射頻rf射頻和直流電壓跨接。這有助于于整合連接基本操作的過程。
CHA2266-99F運用為GaAs pHEMT技藝技木,提(ti)供橫穿基鋼板的通孔、氣流橋和光電子束柵星(xing)空刻技木。
CHA2266-99F以存儲芯片(pian)方法提供了。

主耍本質特征
移動寬帶(dai)性12.5-17GHz
2.5dB相位噪聲(sheng)污染(ran)
34dB增益值值,+/-0.5dB增益控制值表面(mian)鋼筋保護層(ceng)
低直流變壓器模塊(kuai)衰減:130mA
飽滿(man)打印輸出輸出:16dBm
打包封裝尺寸大小2.32 x 1.02 x 0.1mm
成都市立維創展高新科技有現公司授權管理(li)供應商UMS紅外(wai)光(guang),對于組成部分類型的UMS廠(chang)品提供了高品質的現貨平臺廠(chang)品銷量(liang),歡迎(ying)辭(ci)咨詢了解。