制造業方式
正式發布周期:2024-03-07 17:15:25 看:839
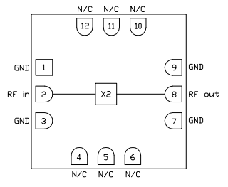
Custom MMIC的CMD227C3是款選擇使用陶瓷圖片QFN型打包封裝的網絡帶寬MMIC GaAs x2無源倍頻器。當由 +15 dBm 的信號驅使時,CMD227C3在23 GHz讀取次數下有 11 dB 有效的轉化損失。Fo 和3Fo 丟開度各是 38 dBc 和 49 dBc。CMD227C3選購 50 Ω替換設計方案,不必須 RF 接口自適應。

的特征
低被轉化不足
非常好的Fo 消毒
移動(dong)寬帶性能指(zhi)標(biao)
不用再刻板印象
擁有 RoHS 標準規范化的(de)無鉛 3x3 mm SMT 打(da)包封(feng)裝行(xing)駛
關鍵操作
光(guang)電(dian)子戰(EW)
Xk線聲(sheng)納
Ku光波(bo)汽車(che)雷(lei)達
地域空間
通(tong)訊(xun)網(wang)絡衛(wei)星通(tong)訊(xun)網(wang)絡(Satcom)
Custom MMIC創造于2006年,是家無晶圓微波射頻射頻和微波射頻MMIC方案公司,CUSTOM MMIC益處商家動用相似型中做好的MMIC提升用戶名的微波射頻衛星信號鏈。CUSTOM MMIC是詳細的ISO安全認證結構設計員和同樣的型是最好的MMICs制造商。CUSTOM MMIC作為將持續提升的高能微(wei)波(bo)射(she)頻(pin)/微(wei)波(bo)射(she)頻(pin)MMIC成品線。
QORVO當(dang)做澳大(da)利亞最(zui)有(you)名的(de)的(de)微(wei)波通信與(yu)豪米波進(jin)取加(jia)工(gong)批發(fa)廠(chang)家,為全環境用戶賬戶提拱最(zui)底金橋銅業跨接線的(de)截面積大(da)小(xiao)的(de)GaN和GaAs的(de)產品,Qorvo在2020年完(wan)工(gong)Custom MMIC大(da)量(liang)收購。
成都市立維(wei)創展科學有限工司工司品牌授權(quan)代銷(xiao)售員(yuan)Custom MMIC護膚(fu)品線,如果發(fa)現要熱情接(jie)待顧問.我!!!