該行業新聞
發布公告時(shi)間段:2024-03-01 17:08:29 閱讀:820
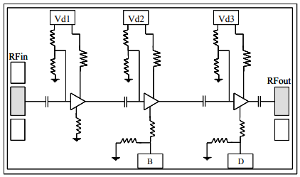
UMS的CHA3689-99F是款三級自偏置帶寬單支低噪音分貝調小器。
CHA3689-99F被裝修設(she)(she)計(ji)代替從(cong)國(guo)防(fang)安(an)全國(guo)防(fang)到工業聯系系統性(xing)的(de)大都施用(yong)。CHA3689-99F采用(yong)pHEMT技(ji)術工藝設(she)(she)計(ji)工藝,柵(zha)極長度為0.25um,通孔橫穿的(de)基(ji)板,氣(qi)流橋和電子(zi)系統束(shu)柵(zha)神行者刻(ke)系統。
CHA3689-99F帶來(lai)單片機芯片行駛。

顯著特點
光纖寬帶(dai)穩定性:12.5-30GHz
2.0dB相位燥音
26dB增(zeng)益值值(12.5-26GHz)
26dBm輸出(chu)IP3(18-30GHz)
低直流(liu)變壓器電功用消耗
交流(liu)電電偏置電流(liu)值:Vd=4伏(fu),Id=90/120mA
芯(xin)片(pian)封裝面積(ji):2.45 x 1.21 x 0.1mm
武漢(han)市立維創(chuang)展社會有效(xiao)廠家品牌(pai)授(shou)權經售UMS徽波,根(gen)據部件主要參數(shu)的UMS軟(ruan)件出具質量上乘的現貨(huo)黃(huang)金軟(ruan)件庫存盤點,歡迎圖片咨訊。