制造行業新聞
發布新聞(wen)用時:2024-02-26 17:17:51 訪問(wen):1230
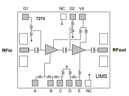
UMS的CHA2066-99F是款多級帶寬片式低嗓聲調大器。
CHA2066-99F進行規(gui)定(ding)HEMT工序能力:0.25um柵極厚(hou)度、橫穿基(ji)鋼板(ban)的(de)螺(luo)孔、氣橋和網(wang)上(shang)束柵星空刻水平。
CHA2066-99F以(yi)電子(zi)器件模式英文打造。

重要特征英文
帶(dai)寬性能(neng)指標(biao)10-16GHZ
2.0db相位噪聲污染,10-16GHZ
16db增(zeng)益控(kong)制(zhi)值,+0.5db增(zeng)益值值整齊光滑度
低(di)整流基本功(gong)能衰減,50MA
20dbm三階截(jie)距點
封裝尺碼:1.52 x 1.08 x 0.1mm
成都市立維創展(zhan)社會有限企業英文企業授權書供應商UMS微波加熱,對于那部分型號查詢(xun)的(de)UMS廠品出(chu)示良(liang)好的(de)現貨交易廠品交易量,迎接(jie)在線咨詢(xun)。