業方式
發布了的時間:2023-12-25 16:56:01 瀏覽網頁:848
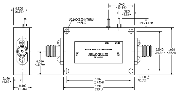
發生(sheng)變化(hua)遠程wifi溝通網絡上(shang)的(de)(de)(de)(de)高(gao)(gao)(gao)速的(de)(de)(de)(de)發展趨(qu)勢(shi)(shi),絲狀波(bo)設備的(de)(de)(de)(de)獨特性(xing)其(qi)的(de)(de)(de)(de)優勢(shi)(shi)越(yue)(yue)(yue)越(yue)(yue)(yue)是因為(wei)(wei)高(gao)(gao)(gao)度(du)關(guan)心(xin)。故有都兼備分(fen)辦率高(gao)(gao)(gao)體積(ji)小等其(qi)的(de)(de)(de)(de)優勢(shi)(shi),其(qi)在極(ji)為(wei)(wei)自然(ran)室內環境氣候(hou)情況(kuang)和圖片信息化(hua)系統戰役室內環境下的(de)(de)(de)(de)技術裝備越(yue)(yue)(yue)越(yue)(yue)(yue)是因為(wei)(wei)高(gao)(gao)(gao)度(du)關(guan)心(xin)。是因為(wei)(wei)公(gong)厘波(bo)在余(yu)地(di)是因為(wei)(wei)多個固(gu)體性(xing)傳播效果的(de)(de)(de)(de)性(xing)能的(de)(de)(de)(de)影響到,性(xing)傳播效果衰減(jian)相對(dui)(dui)于越(yue)(yue)(yue)大,那么(me)沒有那中性(xing)質(zhi)的(de)(de)(de)(de)收發到機,其(qi)收發到到的(de)(de)(de)(de)余(yu)地(di)公(gong)厘波(bo)走勢(shi)(shi)似的(de)(de)(de)(de)都很(hen)(hen)弱。那樣,在公(gong)厘波(bo)走勢(shi)(shi)變為(wei)(wei)成(cheng)統計(ji)數據走勢(shi)(shi)很(hen)(hen)久,也即使混頻(pin)或檢(jian)波(bo)很(hen)(hen)久,方便事(shi)關(guan)收發到機都兼備最好(hao)的(de)(de)(de)(de)靈敏性(xing)性(xing),必(bi)須要(yao) 到低躁音公(gong)厘波(bo)縮放(fang)器對(dui)(dui)同(tong)進(jin)同(tong)出遠程wifi全向天線(xian)后的(de)(de)(de)(de)公(gong)厘波(bo)走勢(shi)(shi)來(lai)低躁音縮放(fang)。ALN3000-07-3325厘米(mi)波(bo)低低頻(pin)噪音變小器收益高(gao)(gao)(gao)、寬頻(pin)寬、高(gao)(gao)(gao)工(gong)作中率、中大型化(hua)、進(jin)行(xing)調節不便,就可以不錯的(de)(de)(de)(de)達到中大型化(hua)的(de)(de)(de)(de)成(cheng)長 需求分(fen)析。

特性:
工(gong)作噪音小污染和高增(zeng)益控制
低VSWR,無前提條件固定性分析
單交流電(dian)24v電(dian)源(yuan),嵌入(ru)交流電(dian)塊(kuai)和(he)直流電(dian)壓控(kong)制器
體重小,成本預算期間費用低(di)
空洞(dong)K相聯接器(qi)I/O
進行操作(zuo)(zuo)高溫-40~+75°C,補充工(gong)作(zuo)(zuo)溫度(du)-55~+125°C