相關行業新聞
公布日期(qi):2023-11-24 17:19:34 搜索(suo):925
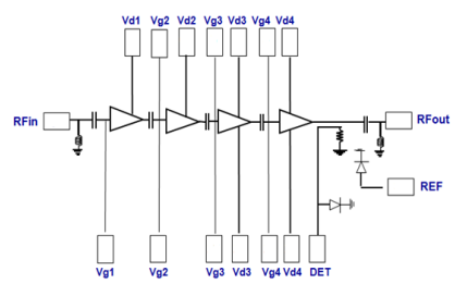
CHA6653-98F是款四個維度片式Gaas高電功率變成器,就可以引起1.8w的傳輸耗油率。CHA6653-98F是長度曲線的,有增益值調控穩定性,并融合化馬力驗測器。涉及到ESD養護。
CHA6653-98F專為聯通(tong)網(wang)絡應用供需設(she)置(zhi)。
CHA6653-98F挑選PHEMT生(sheng)產(chan)技能(neng)技能(neng),柵極外形尺寸為0.15um。

一般特殊性
聯通寬帶使用性能:27-34GHZ
32dbm飽和點電率
38dbmOIP3
23db增加收益值
直流電電偏置額定(ding)電壓:Vd=6伏(fu)ldq=0.9A
打包封裝(zhuang)尺寸大小(xiao)3.61x3.46x0.07mm