企業最新資訊
發布消息(xi)時光:2023-11-20 16:57:14 看:781
超高嘈音變成器一種相當的工作效率變成器,其顯著特點是將警報工作效率變成,將嘈音攪擾低于最低標準。超高嘈音變成器關鍵用做必須高準確度警報變成的獨特在日常生活中,如醫療保障設備、經過多次實驗發現設備、通信網絡標準體系等。
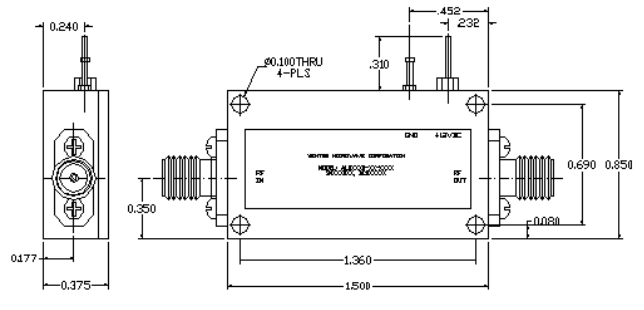
ALN0260-12-3308特低的噪音變小器(qi)只(zhi)需要某個(ge)正DC穩電容(rong)式(shi)源(yuan)。其放入(ru)式(shi)DC交(jiao)流(liu)穩壓(ya)器(qi)和反相線(xian)直(zhi)流(liu)電壓(ya)旋光(guang)性線(xian)直(zhi)流(liu)電壓(ya)防護適配(pei)ALN0260-12-3308極低噪聲源(yuan)放縮器(qi)可在(zai)繁多DC調理(li)身體電源(yuan)線(xian)電阻值下(xia)數學作業(ye),基本(ben)不要直(zhi)接影響微(wei)波(bo)加熱rf射頻(pin)能力(li)主要參數。

特證:
低嘈音、高增加收益
低VSWR,無能力(li)可靠(kao)性
體積小,代(dai)價相應費(fei)用低
SMA母接(jie)觸器I/O
作(zuo)業溫(wen)濕度-40~+85°C,保(bao)存具體條件(jian)-50~+125°C