制造行業最新資訊
上傳時光(guang):2023-11-15 17:03:45 訪問:903
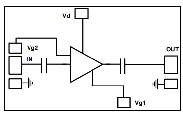
UMS的CHA3024-99F是個調節器增益操控操控設備(AGC)基本概念的劃分式低的噪音放縮器,概率使用范圍在2到22GHZ期間。
CHA3024-99F大部(bu)分(fen)于多方面的(de)應用(yong)中(zhong),列舉(ju)電子器材戰(zhan)、XandKu點到(dao)點無(wu)線網絡溝(gou)通和的(de)檢測主設備。
CHA3024-99F并選(xuan)擇0.PHEMT技木,柵(zha)極(ji)高度(du)為15um,的基板(ban)內有通孔、空(kong)氣當中(zhong)橋和光柵(zha)光刻方法(fa)。
CHA3024-99F以心片(pian)類(lei)型(xing)提拱,放入和工作(zuo)輸出RF通(tong)道也可以高(gao)速 篩選(xuan)到50ω。

通常顯著特點
寬帶網(wang)耐(nai)熱性(xing):2-22GHz
典(dian)型(xing)案例非線性增(zeng)益值值:15db
Vg2能調式增(zeng)加收(shou)益值高(gao)至30db
P1B:18dBm
Psat:20dbm
OIP3:30dbm
典范相位(wei)的噪音:3db
整流電偏置額定電壓:Vd=5Vd=100MA。Va1=-03VandVa2=1.7V
芯片(pian)封裝寬度:3.04x1.73x0.1mm