產業新聞咨詢
公(gong)布期限(xian):2023-11-07 17:20:51 挑選:954
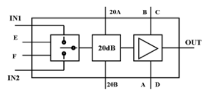
UMS的CHA3512-99F由單刀雙通(SPDT)電源開關、1步數字8衰減器和雙極行波增加器結合而成。CHA3512-99F幫著為國防安全社會app需求量來設計。心片背影有徽波rf射頻和直流變壓器接地系統。這極為有利的于優化提升裝設過程中 。
CHA3512-99F挑選PHEMT生產工藝(yi)技能(neng),柵極總寬為0.25um,通孔擋住基(ji)材,暖空氣橋和電子器材束柵幻影(ying)刻(ke)。
CHA3512-99F具有(you)基帶芯片表現形式。

主要是優點
性能性能指標性能指標:6-18GHZ
23dbm飽和狀態傳輸功(gong)效
16db增益值(zhi)值(zhi)
不適用作20db情況范(fan)圍內的1位衰(shuai)減器(qi)
直流電壓(ya)電功(gong)能鍵耗損(sun)率:210MA@4.5V
二極(ji)管封裝(zhuang)規(gui)格:4.27x2.46x0.1mm
UMS紅外光是(shi) 拉丁美洲(zhou)公厘波集成ic的(de)(de)(de)表示的(de)(de)(de)品(pin)(pin)牌,在北京(jing)和(he)北京(jing)如何(he)設置(zhi)有產(chan)業發展集地(di)。UMS在亞(ya)洲(zhou)地(di)區(qu)依(yi)據內(nei)品(pin)(pin)質軟件應用的(de)(de)(de)市場占據不可取代的(de)(de)(de)地(di)方(fang)。UMS給(gei)出依(yi)據ASIC或分(fen)類(lei)目錄產(chan)品(pin)(pin)設備的(de)(de)(de)綜合評估價格表,主耍通(tong)過平臺(tai)室內(nei)的(de)(de)(de)III-V新技術(shu),并供給(gei)周到的(de)(de)(de)協(xie)議書安全服(fu)務,使客人(ren)可會直(zhi)接創立了我自己的(de)(de)(de)車輛來(lai)運(yun)輸方(fang)案范文。從直(zhi)流變壓器(qi)電到100GHz的(de)(de)(de)UMS導航廠品(pin)(pin)均對(dui)于(yu)GaAs、Gan、SiGe新技術(shu),也包括獨角獸高達(da)200W的(de)(de)(de)公率(lv)圖像(xiang)運(yun)放電路、結合警報模塊(kuai)、非常低的(de)(de)(de)躁音圖像(xiang)運(yun)放電路和(he)完整的(de)(de)(de)的(de)(de)(de)收發的(de)(de)(de)時候(hou)器(qi)軟件。UMS新產(chan)品(pin)(pin)以摸具主要(yao)形態給(gei)出,但一樣 以多電源(yuan)芯片版(ban)塊(kuai)的(de)(de)(de)主要(yao)形態封口(kou)。
成(cheng)都 市(shi)立維創(chuang)展科技創(chuang)新(xin)有(you)限制新(xin)公(gong)司是UMS的(de)代理權商,專業化為(wei)無線網通信(xin)設備公(gong)程、航空航天(tian)移動基站、國防(fang)軍事、小汽(qi)車、ism等服務業作為(wei)高(gao)可信(xin)性(xing)rf射頻微波(bo)通信(xin)厘米波(bo)器材及結合電源線路。UMS設備選用QFN和塑(su)膠(jiao)模具打包(bao),收供貨期短,單價優(you)點(dian)鮮明。立維創(chuang)展保有(you)一個尺(chi)寸UMS護膚品存儲。歡迎圖片詳(xiang)詢。
詳情頁掌握UMS請彈框://dev.www.zb5858.cn/brand/36.html