這個行業信息資訊
發表時:2023-11-07 17:09:53 網頁瀏覽:956
低嘈音變小器是種相當規類型的的輸出功率變小器,其應該用相當具有廣泛性。低嘈音變小器在頻射和微波加熱業務領域內頗受祝賀,要合理大大減少網絡手機信號的低頻噪音,并且把網絡手機信號變小到必備要的水平面。
ALN0252-10-5307N內聯低燥聲rfrf射頻放小器在多如牛毛wifi通迅網絡和rfrf射頻應用領域面積中有極為關鍵性的意義,能給出效率放小電路設計和噪聲污染最窄化,最終得以提升自己收功效、突出通迅面積和能給出極為關鍵性資料通迅網絡。

結構特征:
低低頻噪音和高收獲
低VSWR,無水平相對穩確(que)定
體積小,人工成本花銷低
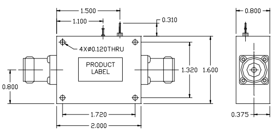
N連接管(guan)輸(shu)人模擬(ni)輸(shu)出(chu)
單整流穩壓阻源(yuan),內聯交流電(dian)壓值設(she)定器,確(que)認寬交流電(dian)壓值復(fu)制粘貼條件(jian)
操作的攝氏度-40~+85°C,吸收具體(ti)條件-55~+125°C
WENTEQ出示各(ge)種類型(xing)高高品的頻射和微波(bo)加(jia)熱商(shang)品,供貨(huo)時間段短,售價有行業(ye)力。商(shang)品包(bao)涵同軸接入器(qi)(qi)和匹(pi)配器(qi)(qi)、反復(fu)的器(qi)(qi)、隔開器(qi)(qi)、低躁(zao)聲放縮器(qi)(qi)、最大功率放縮器(qi)(qi)、移動寬帶放縮器(qi)(qi)、端子(zi)排、波(bo)導部件等。
北京市(shi)立維創展科技創新是WENTEQ的供應商商,注意供給WENTEQ好食(shi)品還(huan)包(bao)括(kuo)弧形器、隔離器、裝載終(zhong)端用戶等,好食(shi)品原裝入口進品,效率衡量,發貨時長短,價額優勢,的歡迎(ying)諮詢(xun)。
詳細情況知道WENTEQ請點擊率://dev.www.zb5858.cn/brand/29.html