餐飲行業快訊
發(fa)布了時間間隔(ge):2023-10-10 17:07:35 訪問 :895
低噪聲放大器是種低噪音、高增益的功率放大器,主要用于放大高頻率系統中射頻信號。工作原理是在傳輸數據之前,根據LNA來縮放信息并減輕燥音,優化的控制軟件系統的噪聲源標準值,故而優化收發的信息的清淅度和安全性高可靠性設計性。
ALN0138-40-5307NWrf微波射頻低噪音污染圖像電壓圖像放大器在有諸多遠程移動數據通訊和rf微波射頻應該用前沿技術中起著至關必要的效果,具備額定功率圖像圖像放大和噪音污染直積化,可以提高了傳輸耐磨性、拓展培訓項目通信系統時間范圍及具備必要的數據統計移動數據通訊。

特征描述:
低躁聲和高增加收益
低VSWR,無標準不穩定量分析性
體行小,價格服務費低
N個(ge)抗體陽性復制粘(zhan)貼(tie),N個(ge)假陽性讀取(qu)
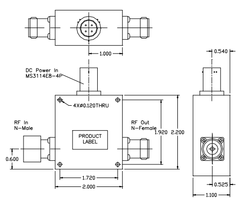
用途(tu)于交流電(dian)穩光電(dian)探測器源輸出的MS3114E8-4P拼接器
單交流(liu)電穩壓電式(shi)源(yuan),內嵌(qian)式(shi)端(duan)電流(liu)值設定器(qi),限制值寬端(duan)電流(liu)值投入面積(ji)
的操作濕度(du)0~+50°C,貯藏室(shi)內溫(wen)度(du)-55~+125°C
耐油性密閉裝(zhuang)封,采用于野外(wai)控制電(dian)腦,外(wai)層漆成深灰色
WENTEQ供給不同(tong)的高質(zhi)量(liang)的微(wei)波通信射(she)頻(pin)和微(wei)波通信成品,發(fa)貨日子(zi)短,收費有寡(gua)頭壟(long)斷力(li)。成品涉及同(tong)軸接器(qi)(qi)和替換器(qi)(qi)、反復的器(qi)(qi)、隔離開器(qi)(qi)、低嗓聲(sheng)變小(xiao)(xiao)器(qi)(qi)、電率變小(xiao)(xiao)器(qi)(qi)、光纖寬帶變小(xiao)(xiao)器(qi)(qi)、端子(zi)排(pai)、波導pcb板等。
佛山市立維創展(zhan)創新科技是(shi)WENTEQ的(de)銷售商(shang),主要展(zhan)示(shi)WENTEQ軟件有馬蹄形器、丟開器、負載電阻POS機(ji)終端等,軟件原裝機(ji)進口(kou)的(de),效果確(que)認,出貨時長短,多少(shao)錢優勢可言,歡迎大(da)家聯系。
商品詳情理解WENTEQ請鼠標單擊://dev.www.zb5858.cn/brand/29.html