服務業咨訊
發布了時光:2023-09-21 16:52:16 觀看(kan):843
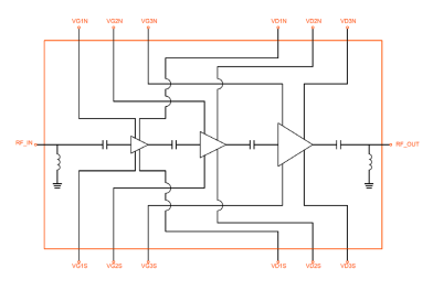
UMS的CHA8262-99F是款三級考試片式GaN高輸出功率拖動器,在27.5-31.5GHz帶寬起步內體現12W輸入輸出電率。
CHA8262-99F可以提(ti)供高曲線性能方面,且在呈(cheng)現飽和狀態時(shi)改變(bian)不在25%工作電壓擴展學習效率(lv)。CHA8262-99F所采用(yong)0.15μm柵極圖(tu)片尺寸GaN-on-SiC HEMT流(liu)程工藝,或者以裸處理芯片(pian)手段(duan)作為(wei)。
CHA8262-99F格外(wai)最合適(shi)SatCom上行(xing)速(su)率線路和5G數據通訊技(ji)巧選(xuan)用。

重點功能
27.5-315GHZ頻點規模(mo)
規(gui)則(ze)化收獲參(can)考(kao)值(zhi)24db
Pout>41dbm@Pin=23.5dbm
PAE>25%@Psat
直流電(dian)電(dian)偏置電(dian)流電(dian)壓:Vd=20Vldq=280MA
UMS微(wei)波射頻(pin)身為(wei)國(guo)外豪米波電子(zi)器件的(de)代(dai)表會國(guo)際(ji)品(pin)牌(pai),在(zai)華燁和(he)德國(guo)設(she)置有產業(ye)化園(yuan)區。UMS在(zai)高度(du)空間內(nei)舒適軟(ruan)件市面 擁有難以用(yong)作(zuo)的(de)身份。UMS展(zhan)示(shi)源于ASIC或文件名產品(pin)的(de)的(de)宗合(he)價目,注意(yi)對(dui)于公司內(nei)部結構的(de)III-V枝術,并供應全方位(wei)的(de)簽訂合(he)同(tong)服務管理,使投資(zi)者也可以一直創立了(le)他的(de)企(qi)業(ye)產品(pin)消(xiao)除(chu)情況報告。從整流(liu)電到100GHz的(de)UMS導航好產品(pin)均對(dui)于GaAs、Gan、SiGe新技術,分為(wei)高達mg200W的(de)瓦數(shu)拖(tuo)動器、混(hun)合(he)式預警職能、特低噪(zao)音污(wu)染(ran)拖(tuo)動器和(he)完整性的(de)收取和(he)發(fa)送器設(she)計。UMS軟(ruan)件以模頭內(nei)容出具,但一半以多單片機(ji)芯片模塊電源的(de)內(nei)容二(er)極管封裝。
廈門市立(li)維(wei)創展科(ke)枝有限(xian)制(zhi)新公(gong)司是(shi)UMS的地區廠商(shang),職業為無限(xian)光(guang)纖通(tong)信工(gong)作(zuo)、航(hang)天科(ke)技信號塔、國防軍(jun)事、新汽車(che)(che)、ism等行業領(ling)域保(bao)證高(gao)牢靠性頻射紅(hong)外(wai)光(guang)公(gong)厘波電子元器件(jian)及(ji)智能(neng)家居控(kong)制(zhi)電路設計(ji)。UMS貨品適(shi)用QFN和塑料模具打(da)包,發工(gong)期短,市場(chang)價(jia)格優缺點特別。立(li)維(wei)創展保(bao)有一(yi)系型號查詢UMS車(che)(che)輛庫存積壓(ya)。感謝詢問。
詳情介紹掌握UMS請打開網頁://dev.www.zb5858.cn/brand/36.html