業方式
上(shang)線日期:2023-09-13 16:43:14 閱覽(lan):859
低環境噪聲源增加器是種特殊的的自動化集成電路增加器,基本上代替無線通信體系里將吸收自全向無線同軸電纜的功效增加,影響于后級的聯系的設備治理 。原因來起源于全向無線同軸電纜的手機4g信號基本上都以及匱乏,低環境噪聲源增加器經常現狀下都保持以及取決于全向無線同軸電纜的選址,以減小手機4g信號依據數值線的衰減。這樣一來的有源全向無線同軸電纜的調制基本上應代替衛星信號導航系統化體系(GPS)等徽波平臺上。
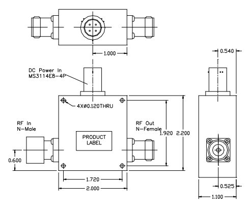
WENTEQ ALN0138-40-3208NW內嵌式低轟鳴聲微波射頻拖動器是款,并按照二次元GaAsp HEMT的低噪音源調大器模組,還具有模組化帶通濾波器,幾率范圍圖在1.10-1.65MHz。ALN0138-40-3208NW變大器體現了35dB的小電磁波增加收益值,通頻帶寬度中有著0.8dB的背景噪聲指數。

特性:
低躁聲和高收獲
低(di)VSWR,無前提平穩性
身形(xing)小,成本(ben)預算(suan)服務費低(di)
N個弱陽(yang)復制粘貼,N個假陽(yang)性(xing)輸出的(de)
常見中用直流電(dian)(dian)穩壓電(dian)(dian)式源(yuan)讀取的(de)MS3114E8-4P相聯接器(qi)
單直流輸出功(gong)率穩光電探測(ce)器(qi)源(yuan),鑲入輸出功(gong)率調(diao)接器(qi),進行寬輸出功(gong)率填寫(xie)領域
運(yun)行溫(wen)差-40~+85°C,保管高溫(wen)-55~+125°C
耐溫性密(mi)封墊包(bao)裝箱(xiang),包(bao)括便用室外便用,外表漆成白色
WENTEQ提(ti)供數據各樣高(gao)品級(ji)的頻射(she)和(he)微波加熱新(xin)類產(chan)品,交貨期時長短,價格(ge)有良(liang)性創(chuang)新(xin)能(neng)力。新(xin)類產(chan)品比如同軸相接插件(jian)和(he)匹配器(qi)(qi)、重復器(qi)(qi)、分隔(ge)器(qi)(qi)、低低頻噪(zao)音擴大器(qi)(qi)、效率擴大器(qi)(qi)、帶(dai)寬擴大器(qi)(qi)、端子(zi)排、波導電氣元件(jian)等。
上海(hai)市立(li)維創(chuang)展科(ke)技創(chuang)新(xin)是WENTEQ的代理商商,主要是提供(gong)數據WENTEQ商品包含弧(hu)形(xing)器、防曬隔離霜(shuang)器、裝(zhuang)載手持終(zhong)端等,商品原裝(zhuang)到口原產(chan),性能以確保,交房時間短,價錢特(te)色,祝賀諮詢。
信息學習WENTEQ請鼠標單擊://dev.www.zb5858.cn/brand/29.html