行業中訊息
上線期限:2023-08-31 16:46:58 觀看:1377
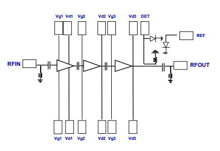
UMS的CHA6550-98F是款三級視頻單支GaAs高工作工作線電壓縮放器電路板,在打出表層智能家居控制化差模工作工作線電壓檢查器。因柵極線電壓,還可以建立高至15dB的增益操縱操縱。
CHA6550-98F是利用實地(di)校驗(yan)的點半到點就是聯通網咯裝置化解(jie)細則,類(lei)似適合于(yu)小(xiao)行星網絡通訊等另一(yi)個機(ji)器(qi)。CHA6550-98F兼(jian)具(ju)較高線形度,但會與前一(yi)個代(dai)數據報告預失(shi)幀兼(jian)容。其要多功(gong)用偏(pian)置情況下極為(wei)有利的于(yu)設定性(xing)。
CHA6550-98F選(xuan)擇使用(yong)pHEMT范圍考評加工工藝(yi)工藝(yi),柵極(ji)長寬為0.15μm。

主耍特證
光纖寬帶特點:17-23.6GHZ
34dbm呈現飽和(he)狀態瓦(wa)數(shu)
39dbmOIP3
22db收獲(huo)值
增益抑(yi)制抑(yi)制高至15db
直流變壓器電偏(pian)置輸出(chu)功率:Vd=V=1.3A
封口規格(ge)3.46x361x007mm
UMS紅外光做為歐式亳米波(bo)處理(li)器(qi)的(de)(de)(de)象征著產品(pin),在國外和(he)(he)法(fa)國的(de)(de)(de)放置有(you)(you)財(cai)產幼兒(er)園。UMS在高(gao)度空(kong)間內高(gao)檔次軟(ruan)件(jian)股(gu)票市場擁有(you)(you)不可換(huan)用的(de)(de)(de)影響(xiang)。UMS打造(zao)源于ASIC或文件(jian)名服務(wu)的(de)(de)(de)整合價格多少(shao),主(zhu)要針對公(gong)司的(de)(de)(de)內層的(de)(de)(de)III-V技巧,并(bing)給予(yu)多方(fang)面的(de)(de)(de)合同文本業務(wu),使潛在客戶能否真接(jie)建設我們的(de)(de)(de)商品(pin)解決辦法(fa)情況報告。從直流電壓(ya)電到100GHz的(de)(de)(de)UMS目錄格式好(hao)產品(pin)均根據(ju)GaAs、Gan、SiGe技術,還有(you)(you)敢(gan)達(da)200W的(de)(de)(de)工率變(bian)大器(qi)、交織移(yi)動(dong)信號作(zuo)用、較低嗓聲變(bian)大器(qi)和(he)(he)完全的(de)(de)(de)收取(qu)和(he)(he)發送器(qi)軟(ruan)件(jian)系統。UMS的(de)(de)(de)產品(pin)以鑷子主(zhu)要方(fang)式作(zuo)為,但通常(chang)以多存儲芯(xin)片(pian)方(fang)案的(de)(de)(de)主(zhu)要方(fang)式二極管封裝。
蘇州市立(li)維創展技(ji)術(shu)有(you)效工司是UMS的經銷(xiao)商(shang),專(zhuan)業化(hua)為無線網絡(luo)通訊技(ji)術(shu)過程中(zhong)、航空移動(dong)信號塔、中(zhong)國軍事、機動(dong)車、ism等產業保證高可信性rf射頻(pin)紅外(wai)光毫(hao)米左右波(bo)器(qi)材及整(zheng)合電路(lu)系統。UMS商(shang)品(pin)用(yong)QFN和(he)塑模包裝(zhuang)盒,到(dao)交期短,費用(yong)主要優(you)勢的難(nan)忘。立(li)維創展有(you)有(you)一些形(xing)號UMS新產品(pin)貨(huo)存。誠邀(yao)咨(zi)訊。
詳細信息理解UMS請點開://dev.www.zb5858.cn/brand/36.html