市場資迅
發布信(xin)息日子:2023-08-01 16:37:22 閱讀:6650
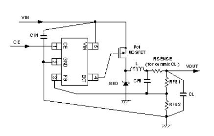
TOREX的(de)(de)XC9221編是(shi)(shi)多(duo)效果穩(wen)壓DC/DC把握(wo)器IC。給(gei)該存儲芯片其(qi)他(ta)常備是(shi)(shi)某(mou)種電(dian)(dian)源開關配(pei)件,是(shi)(shi)某(mou)種工作功(gong)率電(dian)(dian)感,是(shi)(shi)某(mou)種二次(ci)元(yuan)管和(he)2個(ge)電(dian)(dian)阻就(jiu)能提升是(shi)(shi)某(mou)種高率,相對應維持的(de)(de),輸(shu)(shu)入輸(shu)(shu)出電(dian)(dian)流大小(xiao)高至3A的(de)(de)按(an)鈕電(dian)(dian)。能用到低ESR濾(lv)(lv)(lv)波(bo)(bo)(bo)濾(lv)(lv)(lv)波(bo)(bo)(bo)濾(lv)(lv)(lv)波(bo)(bo)(bo)電(dian)(dian)容假(jia)如瓷(ci)質(zhi)濾(lv)(lv)(lv)波(bo)(bo)(bo)濾(lv)(lv)(lv)波(bo)(bo)(bo)濾(lv)(lv)(lv)波(bo)(bo)(bo)電(dian)(dian)容可作其(qi)模擬輸(shu)(shu)出濾(lv)(lv)(lv)波(bo)(bo)(bo)濾(lv)(lv)(lv)波(bo)(bo)(bo)濾(lv)(lv)(lv)波(bo)(bo)(bo)電(dian)(dian)容。
XC9221類別(bie)控(kong)住器有條0.9V(±1.5%)基準值電阻降,應用外置取樣電阻值就(jiu)不錯自由(you)選擇控(kong)制輸入輸出電阻降。工作(zuo)任務幀(zhen)率為300kHz,500kHz和(he)1MHz,
XC9221題材設定器(qi)能便用普通全自動(dong)第三方配件。而對軟開始間(jian)隔時間(jian),XC9221A和C系列(lie)表(biao)是室內(nei)設為(wei)(wei)為(wei)(wei)4ms,XC9221B和D系列(lie)產品能夠在(zai)異常設制。XC9221系列(lie)作品把(ba)握(wo)器(qi)具備(bei)內(nei)置的UVLO(欠壓鎖閉)特點性(xing),當手機(ji)輸入直(zhi)流電壓調至(zhi)2.3V或(huo)更低原(yuan)因下(xia),間(jian)接(jie)的P一端轉(zhuan)換開關元器(qi)件封裝將要被硬性(xing)要求(qiu)性(xing)關閉程序(xu)。
功(gong)能(neng)
任務額定(ding)電(dian)壓范圍內:2.8V~16.0V
的(de)輸出電流其他(ta)重設:0.9V(更準度±1.5V)
任務頻(pin)段(duan):300k,500k,1.0MHz
把(ba)控好手段:PWM/PFM半自動啟動的掌控
帶軟開機啟動(dong)性:內部重設(she)4ms(TypeA500kHz),對外部人設(she)(TypeB)
出現短路呵護:積分(fen)規則呵護1.0ms(A,B款式),短路等問題保養
低ESR電阻(zu)(電阻(zu)器):淘瓷電阻(zu)(電阻(zu)器)
TOREX半導體行(xing)業(ye)基本帶來COMS、感(gan)應器(qi)器(qi)、二級管等元(yuan)配件,新產(chan)品以(yi)小(xiao)體型大小(xiao)、效能優越而最有名的。
杭州(zhou)市立維創展科(ke)技單位不足單位,其優勢分銷系統TOREX交流電(dian)源元(yuan)件,更多外盤存(cun)儲(chu),喜歡(huan)協作。
內容熟知TOREX請點擊量://dev.www.zb5858.cn/brand/62.html

款式 | Type | Output Voltage | Oscillation Frequency | Packages |
XC9221A093ER-G | Soft-start internally set with integral protection function | FB type | 300kHz | USP-6C |
XC9221A093MR-G | Soft-start internally set with integral protection function | FB type | 300kHz | SOT-25 |
XC9221A095ER-G | Soft-start internally set with integral protection function | FB type | 500kHz | USP-6C |
XC9221A095MR-G | Soft-start internally set with integral protection function | FB type | 500kHz | SOT-25 |
XC9221A09AER-G | Soft-start internally set with integral protection function | FB type | 1.0MHz | USP-6C |
XC9221A09AMR-G | Soft-start internally set with integral protection function | FB type | 1.0MHz | SOT-25 |
XC9221B093ER-G | Soft-start externally set with integral protection function | FB type | 300kHz | USP-6C |
XC9221B093MR-G | Soft-start externally set with integral protection function | FB type | 300kHz | SOT-25 |
XC9221B095ER-G | Soft-start externally set with integral protection function | FB type | 500kHz | USP-6C |
XC9221B095MR-G | Soft-start externally set with integral protection function | FB type | 500kHz | SOT-25 |
XC9221B09AER-G | Soft-start externally set with integral protection function | FB type | 1.0MHz | USP-6C |
XC9221B09AMR-G | Soft-start externally set with integral protection function | FB type | 1.0MHz | SOT-25 |
XC9221C093ER-G | Soft-start internally set without integral protection function | FB type | 300kHz | USP-6C |
XC9221C093MR-G | Soft-start internally set without integral protection function | FB type | 300kHz | SOT-25 |
XC9221C095ER-G | Soft-start internally set without integral protection function | FB type | 500kHz | USP-6C |
XC9221C095MR-G | Soft-start internally set without integral protection function | FB type | 500kHz | SOT-25 |
XC9221C09AER-G | Soft-start internally set without integral protection function | FB type | 1.0MHz | USP-6C |
XC9221C09AMR-G | Soft-start internally set without integral protection function | FB type | 1.0MHz | SOT-25 |
XC9221D093ER-G | Soft-start externally set without integral protection function | FB type | 300kHz | USP-6C |
XC9221D093MR-G | Soft-start externally set without integral protection function | FB type | 300kHz | SOT-25 |
XC9221D095ER-G | Soft-start externally set without integral protection function | FB type | 500kHz | USP-6C |
XC9221D095MR-G | Soft-start externally set without integral protection function | FB type | 500kHz | SOT-25 |
XC9221D09AER-G | Soft-start externally set without integral protection function | FB type | 1.0MHz | USP-6C |
XC9221D09AMR-G | Soft-start externally set without integral protection function | FB type | 1.0MHz | SOT-25 |