服務行業信息資訊
發布信息精力:2023-08-03 16:49:46 閱讀:6290
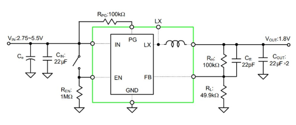
與離散耗油率控制模塊相比較較,SILERGY矽力杰電源線板塊的體型大小縮減了90%。SQ76002AQNC會下降生存電感/濾波電容,升降辦公質量,縮減預警失幀。SQ76002AQNC有著有較強的熱量散發抗不電磁波輻射特性和三維圖像封裝類型組織形式特性,有著正常的抗不電磁波輻射技能。低頻振動模式和區域環境適宜性強。
SQ76002AQNC應使用(yong)那款3MHz、2A同歩(bu)降血壓電壓穩壓器,SQ76002AQNC從這個中家(jia)庭(ting)型裝(zhuang)封(3.0mm×3.0mm,H=1.1mmmax)中智能家(jia)居控住(zhu)化電感和控住(zhu)處理芯片(pian)。SQ76002AQNC便捷率,3MHz,2A嵌入(ru)式電感同步(bu)軟件減壓交流穩壓器。

有特點
內部(bu)管理觸點開(kai)關(最上(shang)層/頂端)的低RDS(ON):40mΩ/20mΩ
2.75~5.5V設置額定(ding)電(dian)壓時間范(fan)圍(wei)
3MHz電(dian)開(kai)關率非常大殘留量避免了外鏈元器
內控軟啟(qi)動(dong)器時局(ju)限(xian)性(xing)浪涌感(gan)應(ying)電(dian)流
2A累計讀取功率(lv)穩定性
取消(xiao)格局(ju)損耗<0.1μA交流電源功率(lv)
100%Dropout進行
主機電(dian)源較好(hao)界面(mian)顯示燈(deng)
過流保證/欠壓設定/過溫保護區
做到(dao)RoHS規范標準且(qie)無鹵素燈泡
緊奏型(xing)型(xing)二極管封裝:QFN3×3-10
SILERGY(矽力杰)主耍生產銷售電原處理器、電原控制模塊等仿真模擬功率器件。原因SQ76002AQNC單價高,交貨期長,市場中分享pin to pin原位重復使用SQ76002AQNC,帶替材質為:MUN3CAD03-SF,MUN3CAD03-SF高效性DC/DC電功能。在2.75V和5.5V設置電壓值時間范圍內的環境下工作電流高至3A。MUN3CAD03-SF按鈕(niu)開關頻帶寬(kuan)度(du)為3.0MHz,選取(qu)所帶來(lai)了的(de)引擎可構(gou)建高至90%的(de)率。外盤優勢與劣勢價,誠邀咨詢公司。
詳細情況明白MUN3CAD03-SF請超鏈(lian)接://dev.www.zb5858.cn/article/3099.html