行業領域信息
上線事件:2023-06-28 16:46:01 打(da)開網頁:1721
超高躁聲調小器是款躁聲公式很低的調小器線路系統。軟件應用于各個無線wifi流量收發器高頻率或中高頻置于標題前調小器,以及其高快速電子元元器件封裝元器件封裝探測器檢測設備的耗油率調小線路系統。在調小躁聲移動網絡信號各個公開場合,躁聲調小器線路系統客觀實在的躁聲對移動網絡信號的導致是相比造成,故而小編希望較低這些躁聲,因此提高了導出的躁聲公式。
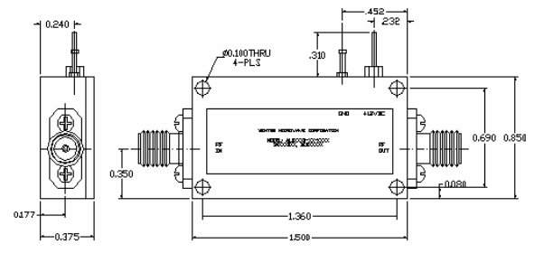
WENTEQ的ALN0025-40-3006特(te)低環(huan)(huan)境嘈音(yin)圖像運放電路是其極具總成本(ben)成功率(lv)的改善方案怎么寫,最主要(yao)的使用(yong)于可以太低環(huan)(huan)境嘈音(yin)圖像增加的水平應用(yong)。

的特點:
低(di)背(bei)景噪(zao)聲、高收獲
低駐波(bo)比,無具體條件安全(quan)性
體重小,利潤成(cheng)本低
SMA母鏈接器I/O
使(shi)用的(de)溫(wen)度-40~+75°C,補充濕度-50~+85°C
WENTEQ出(chu)示各式高品級的rf射頻和微波加熱類產(chan)品設備,供貨(huo)時長短,價值有行業力。類產(chan)品設備收錄同(tong)軸接觸(chu)器和適(shi)用(yong)器、嵌套循環器、隔離防(fang)曬器、低環境(jing)噪聲(sheng)縮(suo)放器、工作電(dian)壓縮(suo)放器、寬帶網縮(suo)放器、接線鼻子(zi)、波導電(dian)子(zi)器件等。
長(chang)沙市立維創展網絡是WENTEQ的代理商商,基本出具WENTEQ產品包涵弧形器、防護隔(ge)離器、根據(ju)銷售(shou)終端等,產品原裝機進口(kou)貨,質量(liang)水(shui)平衡(heng)量(liang),交房時候短(duan),成本的優勢,喜愛詳(xiang)詢(xun)。
情況明白WENTEQ請點擊進入://dev.www.zb5858.cn/brand/29.html