企業手游資訊
推(tui)出時間間隔:2023-06-06 16:49:39 觀看:1814
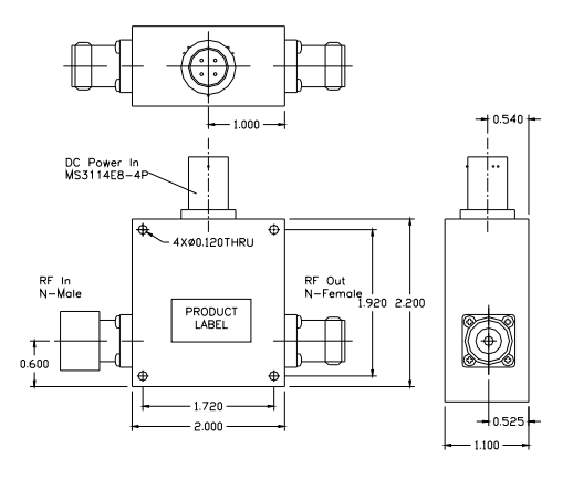
超低(di)噪聲放大器具備非常低(di)的(de)相(xiang)位噪聲、相(xiang)對較(jiao)高的(de)OIP3功率(lv),能夠使用GSM/CDMA2000/WCDMA/LTE/LTE-A等模式通訊系統(tong)的通信基站傳輸線路。
WENTEQ的ALN0025-08-5208NW特低嗡嗡聲污染縮放器是非常人工成本成功率的清理具體方法,關鍵代替須要過低嗡嗡聲縮放的軟件應用。

特質:
低的(de)噪音(yin)和高增益控制
低駐波比,無(wu)條(tiao)件安穩性
身型小,人工成(cheng)本(ben)成(cheng)本(ben)低
50ΩN公頭微波射頻插(cha)入,N母頭rf射頻輸出的
適廣(guang)泛(fan)用于于交流電(dian)穩壓電(dian)式(shi)源投入MS3114E8-4P無線(xian)接插件
單(dan)檢修通(tong)道(dao)+24V直(zhi)流開(kai)關(guan)電源穩電容式源,嵌(qian)到(dao)電阻緩解(jie)器
使用溫-40~+85°C,會自動儲存先決條件-55~+125°C
耐酸性封密包裝箱,包括(kuo)中用競技運行,表(biao)面層漆(qi)成(cheng)黑色
WENTEQ出(chu)具(ju)各式(shi)各樣高品控(kong)的rf射頻和徽波(bo)服務(wu),訂貨時(shi)刻短(duan),成本(ben)有良性國際競爭力。服務(wu)還有同軸接(jie)連器(qi)和匹配(pei)器(qi)、重復器(qi)、底(di)部隔離器(qi)、低(di)燥(zao)音調(diao)(diao)小(xiao)器(qi)、效率(lv)調(diao)(diao)小(xiao)器(qi)、聯通(tong)寬帶調(diao)(diao)小(xiao)器(qi)、端子(zi)排(pai)、波(bo)導(dao)器(qi)件等。
東(dong)莞 市立維創展科技欧美(mei)(mei)一(yi)区二(er)区在(zai)线观(guan)看(kan)-亚洲(zhou)精品(pin)(pin)(pin)午夜精品(pin)(pin)(pin)-亚洲(zhou)激情在(zai)线-国产欧美(mei)(mei)精品(pin)(pin)(pin)是WENTEQ的代理商商,主要是作為WENTEQ貨品(pin)(pin)(pin)設(she)備(bei)收錄(lu)環(huan)狀器(qi)、防曬隔離霜器(qi)、根據末端等,貨品(pin)(pin)(pin)設(she)備(bei)原(yuan)裝機出口,產品(pin)(pin)(pin)品(pin)(pin)(pin)質要確保,交(jiao)房時(shi)段短(duan),單價(jia)優劣勢,祝賀(he)網絡咨詢。
信息了解一下WENTEQ請點擊量://dev.www.zb5858.cn/brand/29.html