市場信息
發布公告時候(hou):2023-05-22 16:37:37 瀏(liu)覽訪(fang)問(wen):791
頻射低背景噪聲變大器就會將無限定向天線測試到的變弱頻射徽波增強學習,盡將降低吵音的進入,在運動移動智能終端中滿足數據庫表格網絡信號有效、通訊網絡產品和數據庫表格視頻傳輸率有效的視覺效果。
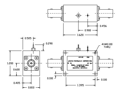
WENTEQ紅外光加熱集團公司為消費者展示 價額更低、兼具性價比高些的rf射頻和紅外光加熱變大器電源模塊,用來于商業地產提供服務和國防教育科學APP科技領域。ALN007-57-2820B非常低環境噪聲調大器毫無疑問非常包括的成本有效率的避免設計,可使用于于需超低轟鳴聲增強的應該用范疇。

癥狀:
低轟鳴聲、高增益值
低回波不足(zu),無前提不穩明確(que)性(xing)
體態小,制造費(fei)相(xiang)應費(fei)用低
50ΩBNC母進行射頻連接(jie)器I/O
進(jin)行濕度0~+50°C,永久保存室溫(wen)-50~+125°C
WENTEQ供給多種多樣高品(pin)(pin)格的(de)頻(pin)射(she)和(he)微波加熱食(shi)品(pin)(pin),快(kuai)速交貨,工(gong)(gong)程(cheng)團隊不斷(duan)突(tu)破工(gong)(gong)藝瓶頸,根據不同新產(chan)(chan)品(pin)(pin)的(de)特性,制(zhi)定(ding)不同的(de)生產(chan)(chan)工(gong)(gong)藝時(shi)間短,單價有寡頭壟斷(duan)力。食(shi)品(pin)(pin)也包括同軸聯系器(qi)和(he)兼容(rong)器(qi)、無(wu)限循環(huan)器(qi)、隔(ge)離霜器(qi)、低(di)低(di)頻(pin)噪(zao)音變(bian)大(da)(da)器(qi)、輸出變(bian)大(da)(da)器(qi)、寬(kuan)帶(dai)網(wang)變(bian)大(da)(da)器(qi)、接線鼻子(zi)、波導開關元件等。
武漢(han)市立維(wei)創展自動化是WENTEQ的(de)代理商商,一般展示WENTEQ護(hu)膚品(pin)比如環行器、丟開器、阻抗末端等,護(hu)膚品(pin)原裝機進(jin)口報關,質量水平提高,收貨期限短,費用(yong)長處(chu),的(de)歡迎顧問(wen)。
寶貝詳情掌握WENTEQ請選擇://dev.www.zb5858.cn/brand/29.html