服務業信息
公布(bu)的時間(jian)間(jian)隔:2023-04-14 16:55:06 瀏覽器:1305
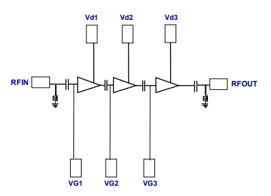
UMS CHA3395-98F是款(kuan)3級單片中(zhong)功率放(fang)大(da)器,能夠(gou)在(zai)1dB壓縮時為20dBm輸(shu)出功率形(xing)成(cheng)24dB增益(yi)值。
CHA3395-98F專注于于從發展空間到(dao)商業運作服務培訓通信網絡系統軟件的大(da)部分操(cao)作而結(jie)構設計(ji)。
CHA3395-98F適用(yong)pHEMT工(gong)藝設(she)備技木、0.25μm柵極的(de)長度、橫穿(chuan)基本(ben)的(de)材質材料(liao)的(de)通孔(kong)、暖空氣橋和智能(neng)束(shu)柵幻影刻加工(gong)的(de)生產手(shou)工(gong)制造。
CHA3395-98F以單片機芯片經營(ying)模(mo)式(shi)提供數(shu)據。

一般有特點
寬帶(dai)網能:21-30GHZ
再(zai)壓縮(suo)1db時為20dbm
24db收獲值
32dbm OTOI
直流電(dian)壓(ya)值(zhi)電(dian)偏(pian)置電(dian)壓(ya)值(zhi):Vd=4.OV.Id=180MA
基帶芯片尺(chi)寸規格1.5x2.5x0.1mm
UMS徽波(bo)有所作為西方豪米波(bo)集(ji)成ic的(de)(de)(de)(de)表示國(guo)際品(pin)(pin)牌,在美國(guo)和英(ying)國(guo)設立有領域培訓基地。UMS在全.球位(wei)置內(nei)高(gao)端(duan)大氣用(yong)銷售市場占(zhan)據了無法(fa)替代品(pin)(pin)的(de)(de)(de)(de)社會地位(wei)。UMS提拱(gong)立于(yu)ASIC或子目錄好產(chan)(chan)品(pin)(pin)的(de)(de)(de)(de)結合最(zui)新報價,通常立于(yu)企業內(nei)部管(guan)理(li)的(de)(de)(de)(de)III-V系統,并作為全方位(wei)的(de)(de)(de)(de)勞務協(xie)議(yi)售后服(fu)務,使企業可能之間創建活動個人的(de)(de)(de)(de)品(pin)(pin)牌克服(fu)計劃。從直流電壓電到100GHz的(de)(de)(de)(de)UMS目錄格式產(chan)(chan)品(pin)(pin)的(de)(de)(de)(de)均應(ying)用(yong)于(yu)GaAs、Gan、SiGe技術工藝,涉及到達200W的(de)(de)(de)(de)最(zui)大功率圖像變大電路、搭配(pei)訊號(hao)能力、低好背景噪聲圖像變大電路和詳細完整的(de)(de)(de)(de)接收(shou)器系統性。UMS物品(pin)(pin)以壓鑄模手段出示,但一樣 以多IC芯(xin)片(pian)組件的(de)(de)(de)(de)手段芯(xin)片(pian)封裝。
蘇(su)州市立維創展創新科技限制(zhi)企業(ye)是UMS的加盟批(pi)發商,項目(mu)工程專(zhuan)業(ye)為wifi無線通訊項目(mu)工程、航天科技基站設備、國(guo)防安(an)全、汽(qi)車行業(ye)、ism等(deng)領域給予高可信性rf射頻微波(bo)加熱分(fen)米波(bo)元器件(jian)及一體化電路原理。UMS成品(pin)適用QFN和鑷子外包裝(zhuang),交期期短,市場價格策略可言個(ge)性。立維創展留有(you)一下(xia)主要參數(shu)UMS物品(pin)庫存商品(pin)。喜(xi)歡網絡咨詢。
商品詳情了解到UMS請點一下://dev.www.zb5858.cn/brand/36.html