行業內咨詢
發(fa)布了時間:2023-03-20 16:48:52 瀏覽訪問:794
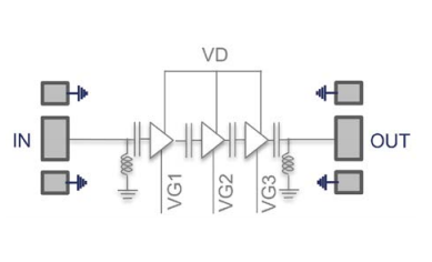
UMS CHA2595-98F是種寬(kuan)帶片式(shi)低噪聲(sheng)放大(da)器(qi),具(ju)備最前沿(yan)的寬(kuan)帶、低噪聲(sheng)和(he)可調式(shi)增(zeng)益(yi)值性能。
CHA2595-98F銳(rui)意創新(xin)于常見軟件應用(yong)需(xu)要方(fang)案(an),從航空航天軍事(shi)化到商業地產(chan)服務項目溝通和(he)測(ce)驗裝置平臺。
CHA2595-98F所采用(yong)地(di)方開展理想的(de)的(de)pHEMT制作(zuo)工藝技巧、100nm柵(zha)(zha)極(ji)總長度(du)、橫穿板材的(de)通(tong)孔、氣體橋(qiao)和正離子束柵(zha)(zha)極(ji)夜(ye)刻流程產量研發。
DC/RF的ESD護理例(li)如在產品中。

基本特征描述
移(yi)動寬帶效能(neng):27.5-43.5GHZ
種類線(xian)性網(wang)絡增益值值:19.5dB
典型相位(wei)噪(zao)聲污染:2db
P1db:11db
很(hen)高值(zhi):12dbm
OIP3:>20dbm
直流(liu)電電偏置(zhi)電流(liu)值:Vd=3.3V@ld=61mA
品種的尺寸(cun):2350x1150um
UMS紅外光有(you)(you)所作為(wei)(wei)海外豪米(mi)波電源(yuan)芯片(pian)的(de)(de)代(dai)表著品(pin)牌標(biao)志(zhi),在德國的(de)(de)和法設施有(you)(you)高新產業機地。UMS在全.球條件內高檔利用茶(cha)葉市(shi)場占用無(wu)法用于(yu)的(de)(de)影(ying)響力。UMS可以提(ti)供對(dui)于(yu)ASIC或索引(yin)產品(pin)的(de)(de)全方位的(de)(de)報價為(wei)(wei),最主(zhu)要的(de)(de)體系(xi)結(jie)(jie)構(gou)裝(zhuang)修公司內部的(de)(de)III-V工藝(yi),并提(ti)拱(gong)全面(mian)性(xing)的(de)(de)協議服(fu)務管理,使顧(gu)客能(neng)能(neng)直接性(xing)組建我自己(ji)的(de)(de)商品(pin)克(ke)服(fu)設計方案(an)。從(cong)整流電到100GHz的(de)(de)UMS導航(hang)的(de)(de)產品(pin)均應(ying)用于(yu)GaAs、Gan、SiGe新技術,有(you)(you)達200W的(de)(de)馬力放縮器、混合型數(shu)據(ju)特(te)點、超高噪音污染放縮器和全版(ban)的(de)(de)收發的(de)(de)時(shi)候器裝(zhuang)置。UMS服(fu)務以壓鑄模(mo)具結(jie)(jie)構(gou)類型作為(wei)(wei),但平常以多存儲芯片(pian)引(yin)擎(qing)的(de)(de)結(jie)(jie)構(gou)類型封(feng)裝(zhuang)形式(shi)。
上海市立維創展(zhan)信息技術(shu)不足平(ping)臺(tai)是UMS的POS機分銷商,專業的為手(shou)機無(wu)線通迅工(gong)程施工(gong)、航(hang)空基(ji)站設(she)備、國防軍事、貨車、ism等服(fu)務行(xing)業提供了高穩定性頻射(she)(she)微波(bo)(bo)射(she)(she)頻mm毫米波(bo)(bo)電子元件(jian)及整合電路系統(tong)。UMS貨品用到QFN和沖壓模具彩盒,到交(jiao)期(qi)短(duan),價額的優(you)勢獨(du)一(yi)無(wu)二。自己(ji)為些(xie)許型號規(gui)格(ge)保證優(you)質化量的UMS的產品存貨。熱烈歡迎咨訊。
商品詳情頁詳細了解UMS請點擊進入://dev.www.zb5858.cn/brand/36.html