互聯網行業信息
更新期(qi)限:2018-06-06 10:47:01 預覽:8264
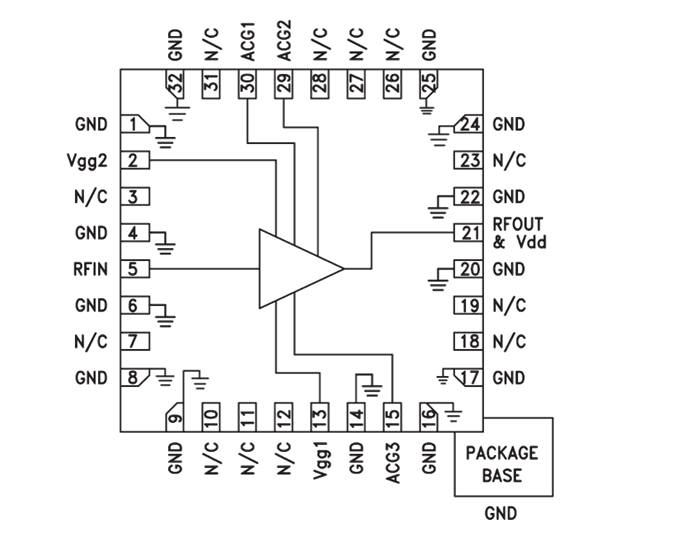
HMC797APM5E就是(shi)款GaAs MMIC pHEMT分布圖制作式工率(lv)縮(suo)放器,本職工作平率(lv)依據為(wei)DC至(zhi)22 GHz。該縮(suo)放器出(chu)示13.5 dB增(zeng)加收益、39 dBm輸(shu)出(chu)IP3和+28 dBm輸(shu)出(chu)工率(lv)(1 dB增(zeng)加收益壓縮(suo)的),耗(hao)電(dian)為(wei)400 mA(用(yong)于(yu)+10 V外(wai)接電(dian)源)。該多種功能鍵PA在4至(zhi)20 GHz依據內具備(bei)有正增(zeng)加收益斜率(lv),而十分的適于(yu)EW、ECM、汽車(che)雷達和測式設施(shi)廣泛應用(yong)。HMC797APM5E縮(suo)放器I/O內配對(dui)至(zhi)50 Ω,便宜一(yi)體化到多集成ic組件(MCM)中,用(yong)于(yu)無引腳QFN 5×5 mm表貼裝封,不(bu)用(yong)辦理(li)第(di)三方配對(dui)電(dian)子器件。
| 品牌 | 型號 | 描述 | 貨期 | 庫存 |
| ADI |
HMC797APM5E HMC797APM5ETR |
GaAs pHEMT MMIC 1 W功率放大器,DC - 22 GHz | 現貨 | 55 |
應運
HMC797APM5E優勢和特點
HMC797APM5E結構圖
