的行業新聞新聞
發布信(xin)息耗時:2022-11-04 17:05:56 搜素:833
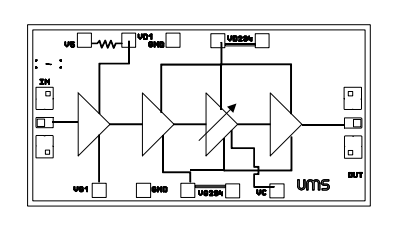
UMS的CHA2292-99F是款兼具可性變性增加收益值的高增加收益英語四級片式低躁聲變成器。CHA2292-99F全力于大量用各種需求制定,從航空航天國防到行業服務通信設備設備。單片機芯片的腰背是微波射頻和直流電壓地線。這有幫助于seo的安裝流程步驟。
CHA2292-99F選擇使用pHEMT加工高技術,柵極(ji)時(shi)長為(wei)0.25μm,按照襯底通孔、空氣(qi)當中橋和光學束(shu)柵極(ji)夜刻。
CHA2292-99F以處理芯(xin)片經濟模式(shi)提供數據。

具體基本特征
工作的(de)頻段(duan):16-24GHZ
2.8db低頻噪(zao)音指數(shu)公式
25db收獲值
15db增益操控操控范圍圖直流變壓器電輸出功率:160MA5V
集成塊規格:2.32X1.23X010mm
UMS徽波為澳大(da)(da)利亞厘(li)米(mi)波集成電路芯(xin)片(pian)的(de)(de)主(zhu)要企業,在荷蘭和荷蘭設立有加(jia)工(gong)業工(gong)廠。UMS在中國位置內高用(yong)(yong)(yong)市場的(de)(de)分配權(quan)沒法換(huan)用(yong)(yong)(yong)的(de)(de)主(zhu)導地位。UMS提(ti)供了因為ASIC或(huo)總目(mu)錄(lu)護(hu)膚品(pin)的(de)(de)綜(zong)合性(xing)市場價,包(bao)括通過公司實物的(de)(de)III-V技巧,并提(ti)供了全(quan)面(mian)的(de)(de)的(de)(de)承包(bao)合同服(fu)務管(guan)理,使(shi)顧客可以(yi)真接建設自個的(de)(de)物料(liao)解決處(chu)理設計方(fang)案。從直(zhi)流變壓器(qi)電到(dao)100GHz的(de)(de)UMS名錄(lu)貨品(pin)均來源于GaAs、Gan、SiGe技木,涵(han)蓋達(da)到(dao)了200W的(de)(de)馬力調大(da)(da)器(qi)、混合法數據信(xin)號功用(yong)(yong)(yong)、超高噪音分貝調大(da)(da)器(qi)和齊全(quan)的(de)(de)發(fa)收器(qi)系統(tong)化。UMS軟(ruan)件以(yi)注塑模(mo)具方(fang)法作(zuo)為,但基本以(yi)多電子器(qi)件模(mo)塊電源的(de)(de)方(fang)法封口。
成(cheng)都市立維創展科學技術局限集團(tuan)公司(si)是UMS的代商(shang),職業(ye)(ye)為(wei)手機無(wu)線安全(quan)可靠建設(she)(she)工(gong)程、航(hang)天(tian)工(gong)程通信基站(zhan)、中(zhong)國(guo)軍事、小(xiao)汽車、ism等這個(ge)行業(ye)(ye)出(chu)具(ju)高(gao)正規性頻射微波加熱豪米波器(qi)材及集成(cheng)式電路設(she)(she)計。UMS產品的選用QFN和壓(ya)鑄模具(ju)木箱,發供貨期短,單價優(you)質有趣。人(ren)們為(wei)一定技術參數(shu)給予(yu)高(gao)性能量的UMS產品設(she)(she)備庫存商(shang)品。熱烈歡迎咨詢了解。。
詳細信息學習UMS請彈窗://dev.www.zb5858.cn/brand/36.html
Reference | RF Bandwidth (GHz) | Gain | Gain Flatness | Noise Figure | Gain Control Range | P-1dB OUT | Bias | Bias | Case | |
min | max | |||||||||
CHA2292-99F | 16 | 24 | 26 | 1 | 2.8 | 20 | 11 | 160 | 5 | Die |