HMC322ALP4E/HMC322ALP4ETR移動寬帶非反射性SP8T啟閉 ADI現貨交易
公布的周期:2018-07-10 15:03:37 訪(fang)問 :1994
HMC322ALP4E也是款寬帶網非反射面GaAs MESFET SP8T面板旋轉旋轉按鈕按鈕,通過成本低投入無引腳表貼封裝。 該面板旋轉旋轉按鈕按鈕概率使用范圍為DC至8 GHz,兼具高隔離霜和低插入圖損耗率。 該面板旋轉旋轉按鈕按鈕還集成就了片內二進制轉碼電路控制系統,將營養邏輯思維設定線減至三根。 該面板旋轉旋轉按鈕按鈕通過0/-5V負設定電流值本職工作,營養放置偏置為-5V。 該面板旋轉旋轉按鈕按鈕使在50歐姆或75歐姆控制系統。若您有其中問題,請連系人們的立維創展,人們的會盡極限積極為您保障。
|
品牌
|
型號
|
描述
|
貨期
|
庫存
|
|
ADI
|
HMC322ALP4E
HMC322ALP4ETR
|
GaAs MMIC SP8T非反射式開關,DC - 8 GHz
|
現貨
|
186
|
HMC322ALP4E軟件應用
該按鈕使用來DC - 8.0 GHz 50歐姆或75歐姆體統:
-
寬帶
-
光纖產品
-
開關濾波器組
-
低于8 GHz的無線應用
HMC322ALP4E優勢和特點
-
寬帶性能: DC - 8.0 GHz
-
高隔離度: >30 dB@ 6 GHz
-
低插入損耗: 2.4 dB@ 6 GHz
-
集成式3:8 TTL解碼器
-
24引腳4x4mm QFN封裝: 9 mm2
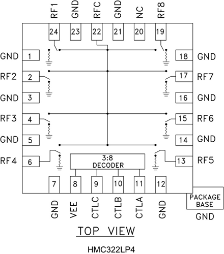
HMC322ALP4E結構圖
