HMC547ALC3/HMC547ALC3TR通用性型移動寬帶高屏蔽SPDT觸點開關 ADI期貨
頒(ban)布日期(qi):2018-07-10 13:58:18 瀏(liu)覽(lan)網頁(ye):7436
HMC547ALC3是一種款基礎型網絡帶寬網絡高隔絕非射線GaAs MESFET SPDT轉換面板面板電源模塊開關,分為3x3 mm無引腳瓷磚表貼封裝。該轉換面板面板電源模塊開關速率范疇為DC至28.0 GHz,在中頻段時包括遠超40 dB的隔絕度和不大于2 dB的插入表格耗損。網絡帶寬網絡寬、高速 轉換面板面板電源模塊開關和緊身型尺寸規格使消化式SPDT適用警用EW/ECM和測試圖片機選用。該轉換面板面板電源模塊開關分為-5/0V的相互依存負把控好端電壓結構錢路業務,就不需要偏置電源模塊。若您有其余提出問題,請連系我們的公司立維創展,我們的公司會盡最大的精力為您精準服務。
|
品牌
|
型號
|
描述
|
貨期
|
庫存
|
|
ADI
|
HMC547ALC3
HMC547ALC3TR
|
GaAs MMIC SPDT非反射式開關,DC - 28.0 GHz
|
現貨
|
233
|
HMC547ALC3技術應用(yong)
-
光纖和寬帶通信
-
微波無線電和VSAT
-
軍用無線電、雷達和ECM
-
測試儀器儀表
HMC547ALC3優勢和特點
-
高隔離度:
45 dB (10 GHz)
39 dB (20 GHz)
-
低插入損耗:
1.9 dB (10 GHz)
2.2 dB (20 GHz)
-
快速開關:6 ns
-
非反射設計
-
16引腳3x3 mm SMT陶瓷封裝:9mm2
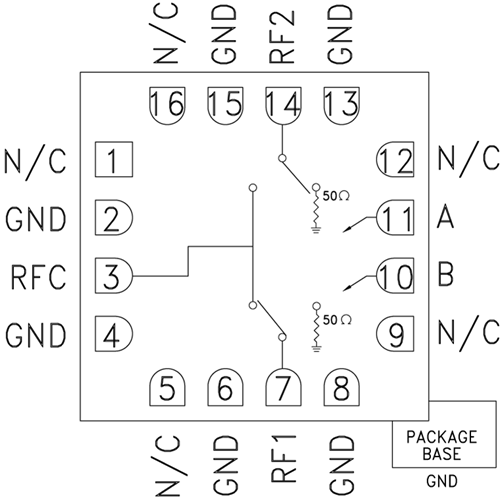
HMC547ALC3結構圖
