HMC265LM3/HMC265LM3TR直連有線電下定頻器 ADI外盤
更新(xin)期限:2018-07-06 15:50:11 網頁(ye)瀏覽:1910
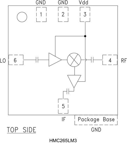
HMC265LM3是款集合LO和IF放小器的20 - 31 GHz表貼次諧波(x2) MMIC混頻器下變頻柜器,順利通過SMT無引腳集成電路芯片形式裝封。 在28至47 dB時,2LO至RF和IF底部隔離功效出眾,不用再減半濾波。 LO放小器順利通過單偏置(+3V至+4V)單級設置,僅需-4 dBm的布置驅動。 大部分數據庫均順利通過布置在50 ?各種測試夾具設計中的非封口型、改性環氧不飽和樹脂不飽和樹脂封口LM3裝封電子器件得。 立維創展HMC265LM3順利通過HMC265LM3即不用再線焊,所以為朋友打造不對的接口類型。
|
品牌
|
型號
|
描述
|
貨期
|
庫存
|
|
ADI
|
HMC265LM3
HMC265LM3TR
|
次諧波混頻器,采用SMT封裝,20 - 31 GHz
|
現貨
|
123
|
HMC265LM3應用(yong)
-
20和31 GHz微波無線電
-
點對點無線電下變頻器
HMC265LM3優勢和特點
-
集成LO放大器: -4 dBm輸入
-
次諧波(x2) LO
-
高2LO/RF隔離: >28 dB
-
LM3 SMT封裝
HMC265LM3結構圖
