HMC338LC3B/HMC338LC3BTR軍用裝備模塊化LO混頻器 ADI外盤
頒(ban)布時光:2018-07-06 15:36:46 網頁瀏(liu)覽:7357
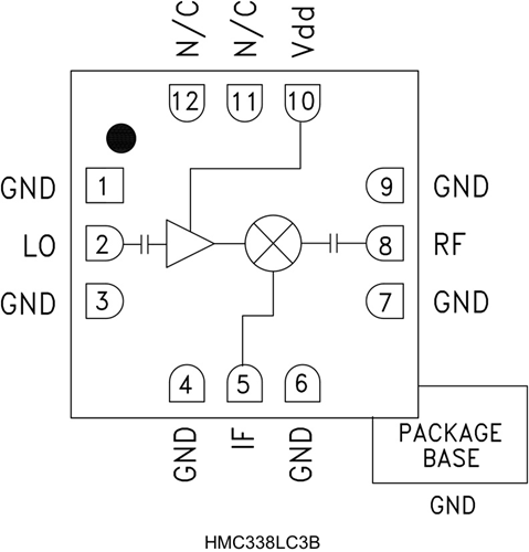
HMC338LC3B就是款集成式LO調小器的24 - 34 GHz次諧波(x2) MMIC混頻器,按照合適RoHS標準化的無引腳SMT芯片封裝。 在30 dB時,2LO至RF分隔耐磨性優異,暫時無法特別濾波。 LO調小器按照單偏置(+3V到+4V)制定,需-5 dBm的標稱驅動軟件。 RF和LO串口為隔直串口并配比50 ?,實用簡單方便,還IF的業務次數便用范圍為DC至3 GHz。 HMC338LC3B暫時無法線焊,可實用表貼打造技術性。
|
品牌
|
型號
|
描述
|
貨期
|
庫存
|
|
ADI
|
HMC338LC3B
HMC338LC3BTR
|
次諧波混頻器,采用SMT封裝,24 - 34 GHz
|
現貨
|
237
|
用途
-
點對點無線電
-
點對多點無線電和VSAT
-
測試設備和傳感器
-
軍用最終用途
-
SATCOM
HMC338LC3B優勢和特點
-
集成LO放大器: -5 dBm輸入
-
次諧波(x2) LO
-
DC - 3 GHz帶寬IF
-
符合RoHS標準的3x3 mm SMT封裝
-
單正電源: +4V (31mA)
HMC338LC3B結構圖
