相關行業動態新聞
頒(ban)布(bu)周期:2020-04-28 10:15:58 搜索:1778
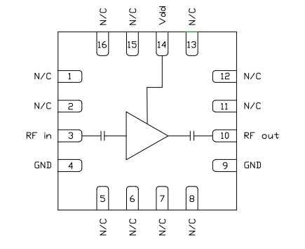
CMD264P3是一(yi)款寬帶(dai)MMIC低噪聲(sheng)放大器,采用無(wu)引線3x3毫(hao)米塑料表(biao)面(mian)貼裝封(feng)裝。CMD264P3非(fei)常適合(he)需要小(xiao)尺寸和低功(gong)耗的(de)電子戰和通信系(xi)統。寬帶(dai)設備(bei)提供大于26db的(de)增益,相應的(de)輸出1db壓縮點為+12dbm,在(zai)10ghz時噪聲(sheng)系(xi)數為1.6db。CMD264P3采用50歐(ou)姆匹(pi)配(pei)設計,無(wu)需外部直流模(mo)塊(kuai)和射頻端口匹(pi)配(pei)。

CMD264P3特征英文
超高燥聲(sheng)指數公式
高增加收益網絡帶(dai)寬(kuan)功(gong)能
單交(jiao)流電源(yuan)端電壓:63毫安時+3.0伏
無鉛(qian)RoHs兼容3x3 QFN裝封
珠海(hai)市(shi)(shi)市(shi)(shi)立(li)維創展(zhan)是MMIC的(de)代消售,大部分消售MMIC品(pin)牌的(de)低解決圖像電壓(ya)(ya)調(diao)小器、驅動程(cheng)序圖像電壓(ya)(ya)調(diao)小器、電率圖像電壓(ya)(ya)調(diao)小器、低相位解決圖像電壓(ya)(ya)調(diao)小器、寬范圍圖遍布式圖像電壓(ya)(ya)調(diao)小器,CUSTOM MMIC的(de)幫助您運行相似中比較好(hao)的(de)MMIC升級優化(hua)您的(de)徽(hui)波(bo)的(de)信(xin)號鏈(lian)。CUSTOM MMIC就是個完整的(de)的(de)ISO身份(fen)驗(yan)證(zheng)設置師和同(tong)行最好(hao)的(de)MMIC供貨商。CUSTOM MMIC展示 盡快的(de)增加的(de)高能頻射(she)/紅外光MMIC類產品(pin)系列表(biao)。
立維創顯現(xian)有200只CMD264P3原(yuan)廠(chang)(chang)現(xian)貨平臺(tai),產品要確保,原(yuan)廠(chang)(chang)進口貨,熱情(qing)接待(dai)資詢。