HMC404/HMC404-SX集成式LO擴大器心片 ADI現貨平臺
發部日子(zi):2018-07-06 13:51:03 閱讀:2928
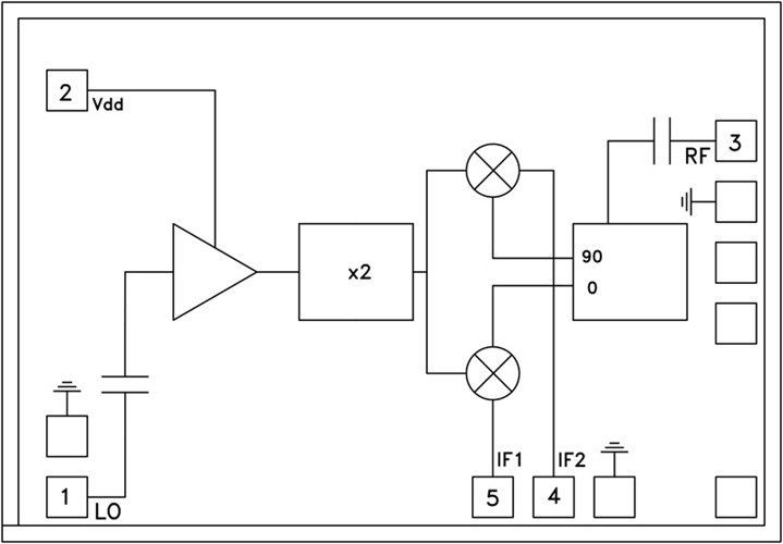
HMC404心片是一個款模塊化LO擴大器的次諧波(x2) MMIC映射控制混頻器,可作上變頻柜器或下變頻柜器。 該心片通過GaAs PHEMT技術工藝,心片建筑體的面積為2.31mm2。 片內90°攪拌集成電路芯片提供數據卓越的震幅和相位和平安全性能,映射控制少于22 dB。 LO擴大器分為單偏置(+4V)雙極制作,僅需+2 dBm的標稱驅使。
|
品牌
|
型號
|
描述
|
貨期
|
庫存
|
|
ADI
|
HMC404
HMC404-SX
|
GaAs MMIC次諧波IRM混頻器芯片,26 - 33 GHz
|
現貨
|
238
|
HMC404應用(yong)
-
26至33 GHz微波無線電
-
針對點對點無線電應用的上下變頻器
HMC404優勢和特點
-
集成LO放大器: +2 dBm輸入
-
次諧波(x2) LO
-
鏡像抑制: 22 dB
-
小尺寸: 1.90 x 1.25 mm
HMC404結構圖
