HMC685LP4E/HMC685LP4ETR高的動態的范圍結合LO放小器 ADI外盤
發布(bu)公(gong)告期限:2018-07-05 11:41:27 打開網頁:2117
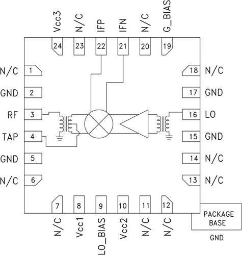
HMC685LP4(E)不是款高動態信息比率無源MMIC混頻器,一體化LO變大器,選用4x4 SMT QFN芯片封裝,工做規律為1.7 - 2.2 GHz。 LO控制為0 dBm時,3G和4G GSM/CDMA應用軟件需要得到 +32 dBm的經驗豐富復制粘貼IP3下交流變頻能。 選用1 dB (+27 dBm)解壓縮時,RF表層扶持所有復制粘貼移動信號電平。 轉移耗率非常典型參考值8 dB。 DC至500 MHz的IF規律相應要能具備GSM/CDMA發射點或收規律總體規劃規范。 HMC685LP4(E)與HMC684LP4(E)引腳兼容,再者不是款一體化LO變大器的700 - 1,000 MHz混頻器。
|
品牌
|
型號
|
描述
|
貨期
|
庫存
|
|
ADI
|
HMC685LP4E
HMC685LP4ETR
|
集成LO放大器的BiCMOS混頻器,1.7 - 2.2 GHz
|
現貨
|
158
|
HMC685LP4應用(yong)
-
蜂窩/3G和LTE/WiMAX/4G
-
基站和中繼器
-
GSM、CDMA和OFDM
-
發射機和接收機
HMC685LP4優勢和特點
-
高輸入IP3:+35 dBm
-
8 dB轉換損耗(0 dBm LO)
-
針對低端LO輸入優化
-
可調電源電流
-
上變頻和下變頻應用
-
24引腳4x4mm SMT封裝:16mm2
HMC685LP4結構圖
