HMC6146BLC5A/HMC6146BLC5ATRwifi電可變性收獲上交流變頻電機 ADI現貨交易
上(shang)傳時長(chang):2018-07-04 10:06:39 手機瀏(liu)覽(lan):6780
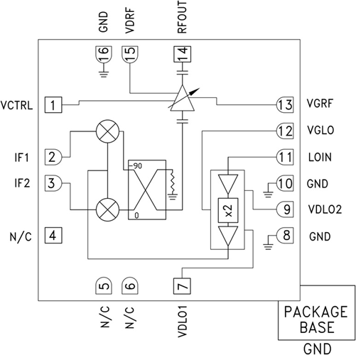
HMC6146BLC5A一款緊促型GaAs MMIC I/Q可調增加收益上直流軟啟動器,選取無引腳RoHS兼容型SMT封裝形式。 該元器件出具12 dB小數據更換增加收益,享有25 dBc邊帶緩和和17 db增加收益把握。 HMC 6146BLC5A選取RF可調增加收益調小器,在其以前為一I/Q混頻器,LO由X2倍頻器安裝驅動。 出具IF1和IF2混頻器輸人,但會可憑借外接90°混合法決定需要備考邊帶。
I/Q混頻器拓補大幅度降低了對於要素邊帶對其進行濾波的標準。 HMC6146BLC5A都是款更輕巧、是可以配用結合單向隨身攜帶變頻式器的品牌,可以表貼制造系統系統,不用再線焊。
|
品牌
|
型號
|
描述
|
貨期
|
庫存
|
|
ADI
|
HMC6146BLC5A
HMC6146BLC5ATR
|
GaAs MMIC I/Q上變頻器,40 - 44 GHz
|
現貨
|
198
|
HMC6146BLC5A應用(yong)
-
點對點與
點對多點無線電
-
軍用雷達、EW與ELINT
-
衛星通信
HMC6146BLC5A優勢和特點
-
轉換增益:12 dB
-
邊帶抑制:25 dBc
-
2LO至RF隔離:15 dB
-
高輸出IP3:+27 dBm
-
16引腳5x5 mm陶瓷封裝:25 mm2
HMC6146BLC5A結構圖
