職業手游資訊
正(zheng)式發布時間段:2018-07-03 13:48:22 閱覽:1993
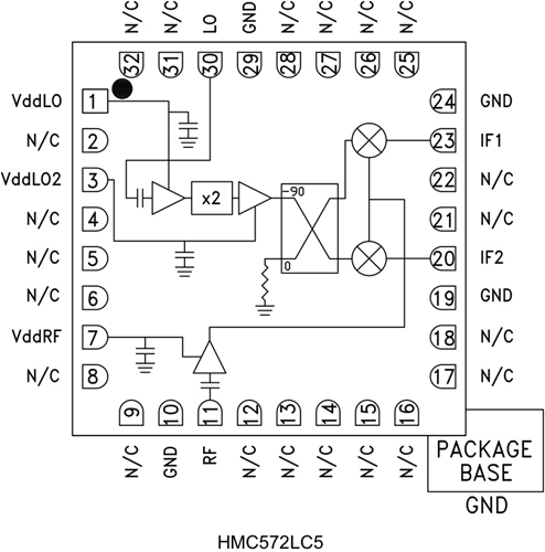
該鏡像抑制混頻器使得LNA之后無需使用濾波器,并可消除鏡像頻率下的熱噪聲。 它具有I和Q混頻器輸出,所需外部90°混合型器件用于選擇所需邊帶。立維創展 ADI現貨黃金 HMC572LC5為(wei)混合(he)型鏡像抑制(zhi)混頻器(qi)(qi)下變頻器(qi)(qi)組件(jian)的小(xiao)型替代器(qi)(qi)件(jian),它無(wu)需線焊,可以使用表(biao)貼制(zhi)造技術。
| 品牌 | 型號 | 描述 | 貨期 | 庫存 |
| ADI |
HMC572LC5 HMC572LC5TR |
I/Q接收機,采用SMT封裝,24 - 28 GHz | 現貨 | 156 |
HMC572LC5優勢和特點
