HMC1113LP5E/HMC1113LP5ETR表貼芯片封裝狹窄型下直流伺服電機 ADI現貨黃金
上架時期:2018-07-03 10:16:58 查看:2468
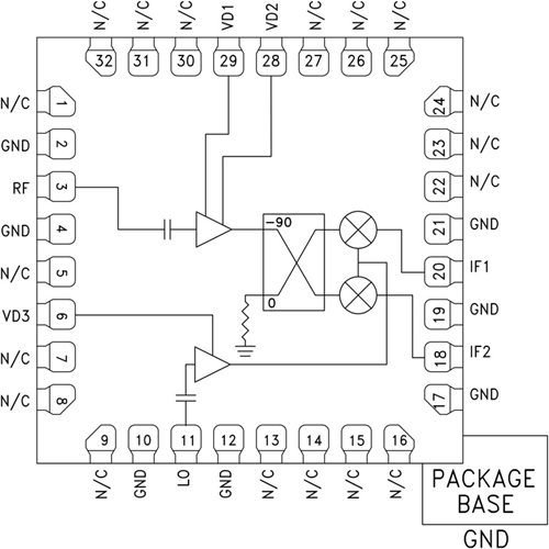
HMC1113LP5E也是款緊湊suv型GaAs MMIC I/Q下交流伺服控制器,食用在無鉛5 x 5 mm低內應力注塑成型朔膠表貼芯片封裝。 該電子元元集成電路芯片封裝提供了12 dB的小訊號轉為增益值、1.8 dB的躁聲指數公式和25 dBc的系統鏡象調節性的性能。 HMC1113LP5E食用在LNA,后接由LO加載器增加器動力的系統鏡象調節性混頻器。 該系統鏡象調節性混頻器使LNA在此之后無須選用濾波器,并可除去系統鏡象的頻率下的熱躁聲。 它存在I/Q混頻器模擬輸出,流程第三方90°比調型電子元元集成電路芯片封裝食用在確定流程邊帶。 HMC1113LP5E為比調型系統鏡象調節性混頻器下交流伺服控制器模塊的不同規格的中小型帶替電子元元集成電路芯片封裝,它無須線焊,行選用表貼產生技術。
|
品牌
|
型號
|
描述
|
貨期
|
庫存
|
|
ADI
|
HMC1113LP5E
HMC1113LP5ETR
|
GaAs MMIC I/Q下變頻器,10 - 16 GHz
|
現貨
|
257
|
HMC1113LP5Eapp
-
點對點和點對多點無線電
-
軍用雷達、EW和ELINT
-
衛星通信
HMC1113LP5E優勢和特點
-
變為增益值:12 dB
-
系統鏡像減緩:25 dBc
-
LO至RF防護:45 dB
-
噪音常數:1.8 dB
-
IP3:1 dBm
-
32引腳5 x 5 mm SMT裝封
HMC1113LP5E結構圖
