HMC1063LP3E/HMC1063LP3ETR緊奏型suv型I/Q MMIC混頻器 ADI外盤
發布信息時期:2018-07-02 14:41:15 搜素:1899
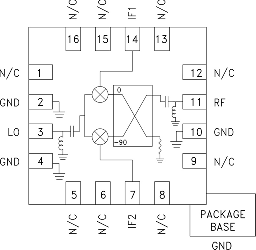
HMC1063LP3E就是款緊身型I/Q MMIC混頻器,選用“無鉛”SMT封裝,會用作映射治理和改善混頻器或一側隨身攜帶定頻式器。 該混頻器選用幾個標準的Hittite雙和平混頻器第一單元和一兩個直角搭配配件,均選用GaAs Schottky電感技藝會產生。 脈沖電流正交搭配配件主要用于會產生1,000 MHz LSB IF輸出的。 該服務為搭配型映射治理和改善混頻器和一側隨身攜帶定頻式器配件的長安小型改用配件。 HMC1063LP3E必須線焊,會運用表貼會產生技術。
|
品牌
|
型號
|
描述
|
貨期
|
庫存
|
|
ADI
|
HMC1063LP3E
HMC1063LP3ET
|
GaAs MMIC I/Q混頻器,24 - 28 GHz
|
現貨
|
259
|
HMC1063LP3E應用(yong)
-
點對點和點對多點無線電
-
軍用雷達、EW和ELINT
-
衛星通信
-
傳感器
HMC1063LP3E優勢和特點
-
低LO功率: 10 dBm
-
寬IF帶寬: DC - 3 GHz
-
鏡像抑制: 21 dBc
-
LO/RF隔離: 40 dB
-
高輸入IP3: 17 dBm
-
16引腳3x3 mm SMT封裝: 9 mm2
HMC1063LP3E結構圖
