HMC-APH596/HMC-APH596-SX多級GaAs HEMT MMIC中檔效率變成器 ADI現貨平臺
公布的耗時(shi):2018-06-29 11:18:34 預覽:1834
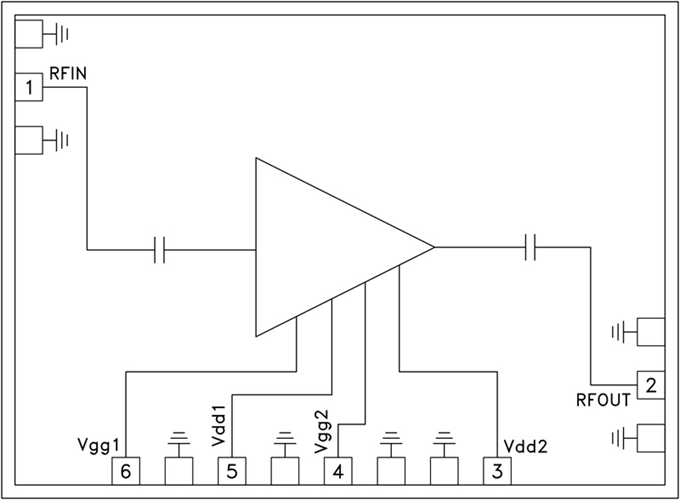
HMC-APH596不是款兩極GaAs HEMT MMIC中檔輸出電壓工作功率放縮器,上班幾率區間為16至33 GHz。 HMC-APH596給予17 dB增益控制,主要包括+5V24v電源工作電壓時具備+24 dBm輸出電壓輸出電壓工作功率(1 dB壓縮視頻)。 一切焊盤和集成塊表面都由Ti/Au金屬質化,放縮器已是鈍化以做到可信基本操作。
HMCAPH596 GaAs HEMT MMIC中等水平工率增加器兼容傳統的的心片貼裝手段,各種熱壓縮的和熱高周波線焊接藝,無比是和MCM和搭配微用電線路app。 前方提示 的那些數據分析均是心片在50 Ω自然環境下安全使用RF探測器排斥測是。
|
品牌
|
型號
|
描述
|
貨期
|
庫存
|
|
ADI
|
HMC-APH596
HMC-APH596-SX
|
MMIC中等功率放大器,16至33 GHz
|
現貨
|
323
|
應用
HMC-APH596優勢和特點
-
輸出IP3: +33 dBm
-
P1dB: +24 dBm
-
增益: 17 dB
-
電源電壓: +5V
-
50 Ω匹配輸入/輸出
-
裸片尺寸:
2.55 x 1.87 x 0.1 mm
HMC-APH596結構圖
