行業內介紹
發布了日子:2019-12-24 14:39:50 預(yu)覽:1786
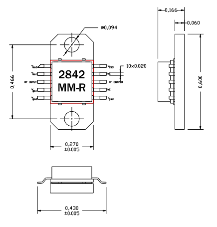
AM284233MM-EM-R是AMCOM的(de)砷化(hua)鎵(jia)MMIC功率放(fang)大器(qi)(qi)系列的(de)一(yi)部(bu)分(fen)。它有34分(fen)貝(bei)的(de)增(zeng)益和在(zai)2.8到4.2GHz頻帶(dai)上輸(shu)出33dBm的(de)功率。這(zhe)個(ge)(ge)MMIC是一(yi)個(ge)(ge)陶瓷(ci)封裝(zhuang),有射頻和直流引線在(zai)較(jiao)低(di)層次的(de)封裝(zhuang),以方便(bian)(bian)低(di)成本的(de)SMT組裝(zhuang)到PC板。由于(yu)高直流功耗,我們建(jian)議將(jiang)這(zhe)些設備直接安裝(zhuang)在(zai)金屬散熱器(qi)(qi)上。AM284233MM-FM-R是AM284233MM-BM-R安裝(zhuang)在(zai)鍍金銅(tong)法蘭(lan)托架上。EM包與帶(dai)直管和銅(tong)/鎢法蘭(lan)而不是銅(tong)法蘭(lan)的(de)FM封裝(zhuang)。有兩個(ge)(ge)法蘭(lan)上的(de)螺孔便(bian)(bian)于(yu)擰到金屬散熱器(qi)(qi)上。這(zhe)個(ge)(ge)MMIC是符合RoHS的(de)。

AM284233MM-EM-R用途(tu)
wlan智連網(wang)應用
wifi本地網環路(lu)
橫向遠程電
AM284233MM-EM-R核心(xin)數據
頻次:2.8-4.2GHz
增益控(kong)制:34
P1dB(DBM):33
PSAT(DBM):34
轉化率:25
VD(V):8
武漢市市立(li)維(wei)創(chuang)展自動化是AMCOM裝修(xiu)公司(si)總代,其(qi)常(chang)見徽波寬帶網(wang)車輛(liang)主要包(bao)括rf射頻硫(liu)化鋅管、MMIC工(gong)率變(bian)(bian)小(xiao)器、攪拌變(bian)(bian)小(xiao)器電源(yuan)引擎、網(wang)絡帶寬變(bian)(bian)小(xiao)器、高工(gong)率變(bian)(bian)小(xiao)器電源(yuan)引擎、帶RF和DC接入器的高熱效率(lv)擴(kuo)(kuo)大(da)器模塊圖(tu)片和(he)低躁(zao)音擴(kuo)(kuo)大(da)器,熱效率(lv)擴(kuo)(kuo)大(da)器,旋轉開關,衰減器,移相器同時(shi)上/下方變頻器的定制(zhi)化。