這個行業分析新聞
發布(bu)消息時長:2019-12-24 13:59:45 訪(fang)問:1837
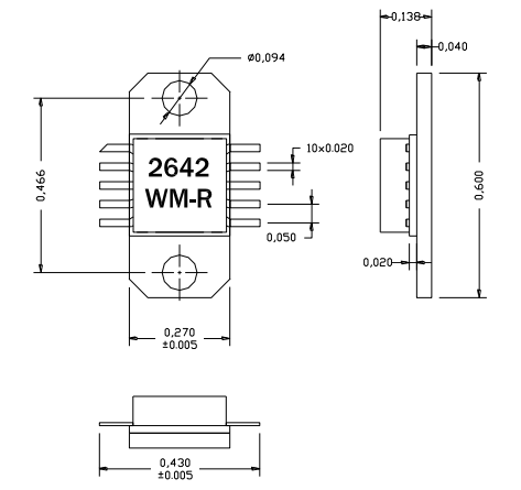
AM264240WM-EM-R是(shi)AMCOM的砷化鎵HiFET MMIC功率放(fang)大(da)器系列的一部分。這是(shi)兩個階(jie)段GaAs-HIFET-PHEMT-MMIC功率放(fang)大(da)器。AM264240WM-EM-R在輸入和輸出端都與50歐(ou)姆(mu)(mu)完(wan)全匹配,覆蓋2.6歐(ou)姆(mu)(mu)至4.2GHz。它有20dB的(de)(de)(de)(de)增(zeng)益和40dBm的(de)(de)(de)(de)14V輸出功率(lv)(lv)射頻和直流(liu)引(yin)線位于(yu)封裝(zhuang)(zhuang)(zhuang)的(de)(de)(de)(de)較低(di)層,以便于(yu)將低(di)成本(ben)的(de)(de)(de)(de)SMT組裝(zhuang)(zhuang)(zhuang)到PC板(ban)上(shang)(shang)(shang)。因為直流(liu)電功率(lv)(lv)大散熱,我們強(qiang)烈(lie)建議將這些設備直接安(an)裝(zhuang)(zhuang)(zhuang)在金屬散熱片上(shang)(shang)(shang)。AM264240WMFM-R是(shi)(shi)安(an)裝(zhuang)(zhuang)(zhuang)在鍍金銅法(fa)蘭(lan)(lan)(lan)托架上(shang)(shang)(shang)的(de)(de)(de)(de)AM264240WM-BM-R。EM包(bao)有相同的(de)(de)(de)(de)封裝(zhuang)(zhuang)(zhuang)外形為FM封裝(zhuang)(zhuang)(zhuang),采用(yong)直引(yin)線和銅/鎢(wu)法(fa)蘭(lan)(lan)(lan)代替銅法(fa)蘭(lan)(lan)(lan)是(shi)(shi)法(fa)蘭(lan)(lan)(lan)上(shang)(shang)(shang)的(de)(de)(de)(de)兩個螺孔,便于(yu)擰到金屬散熱器上(shang)(shang)(shang)。這個MMIC是(shi)(shi)符合RoHS的(de)(de)(de)(de)。

AM264240WM-EM-R選用(yong)
PCS輕微蜂窩信(xin)號塔
GPS運用
WiMAX
WLL
10V–15V操作
AM264240WM-EM-R重要的參數(shu)值
速度:2.6-4.2GHz
收(shou)獲:20
P1dB(DBM):39
PSAT(DBM):40
學習效率(lv):35
VD(V):14
河南市立維創展自動化(hua)是AMCOM品(pin)牌總經銷商(shang)商(shang),其主要的紅外光網絡帶(dai)寬(kuan)貨(huo)品(pin)屬于(yu)微波射頻晶胞管、MMIC電率(lv)拖(tuo)動(dong)器、分(fen)層拖(tuo)動(dong)器輸(shu)出(chu)功能、寬(kuan)帶(dai)網拖(tuo)動(dong)器、高電率(lv)拖(tuo)動(dong)器輸(shu)出(chu)功能、帶(dai)RF和DC連結器的高輸出放小器模塊(kuai)電源(yuan)和低背景噪聲放小器,輸出放小器,旋鈕,衰減器,移相器以(yi)其上/下面(mian)調(diao)頻(pin)器的全屋(wu)定制。