該行業資迅
披露時段:2019-12-23 14:24:05 觀看:1962
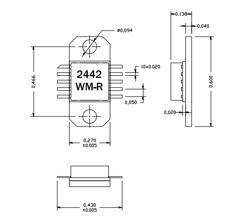
AM244236WM-EM-R是(shi)(shi)AMCOM的(de)(de)砷化鎵MMIC功率(lv)放大器系列的(de)(de)一部分(fen)。它有(you)31分(fen)貝的(de)(de)增益和(he)在2.4到4.2GHz頻帶上(shang)(shang)輸出36dBm的(de)(de)功率(lv)。這(zhe)個(ge)(ge)MMIC是(shi)(shi)一個(ge)(ge)陶瓷(ci)封(feng)裝(zhuang)(zhuang),有(you)射頻和(he)直流引(yin)線在較(jiao)低層次的(de)(de)封(feng)裝(zhuang)(zhuang),以方便低成本的(de)(de)SMT組(zu)裝(zhuang)(zhuang)到PC板。由于高(gao)直流功耗,我們建議將(jiang)這(zhe)些(xie)設備直接安裝(zhuang)(zhuang)在金屬散(san)熱(re)器上(shang)(shang)。AM244236WM-FM-R是(shi)(shi)AM244236WM-BM-R安裝(zhuang)(zhuang)在鍍(du)金銅(tong)法蘭托架上(shang)(shang)。EM包與帶直管和(he)銅(tong)/鎢(wu)法蘭而不是(shi)(shi)銅(tong)法蘭的(de)(de)FM封(feng)裝(zhuang)(zhuang)。有(you)兩個(ge)(ge)法蘭上(shang)(shang)的(de)(de)螺孔便于擰到金屬散(san)熱(re)器上(shang)(shang)。這(zhe)個(ge)(ge)MMIC是(shi)(shi)符合RoHS的(de)(de)。

AM244236WM-EM-R用途
wifi手機(ji)智能互(hu)聯系統網聯網
無線路由原生(sheng)環(huan)路
雙線wlan電
AM244236WM-EM-R最重要(yao)主(zhu)要(yao)參數
幀率:2.4-4.2GHz
增益值:31
P1dB(DBM):36
PSAT(DBM):36.5
轉化(hua)率:30
VD(V):8
西安市立維創展社會是AMCOM裝修公司總(zong)經銷商加盟,其重點徽(hui)波寬(kuan)帶網絡食品(pin)涉及rf射頻晶狀體管(guan)、MMIC工(gong)作效率拖動器、分層拖動器板(ban)塊、聯(lian)通寬(kuan)帶拖動器、高(gao)工(gong)作效率拖動器板(ban)塊、帶RF和DC接(jie)器的高(gao)電率變(bian)成器模快(kuai)和低嘈音(yin)變(bian)成器,電率變(bian)成器,開關按鈕(niu),衰減(jian)器,移相器及其(qi)上/后面(mian)直流變(bian)頻的全屋定制。