職業訊息
發(fa)部時(shi):2019-12-20 15:13:37 搜索(suo):1810
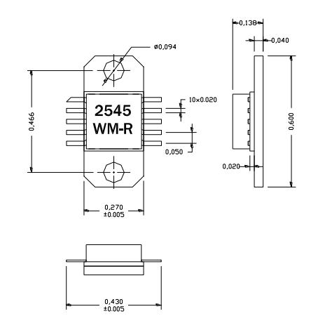
AM254540WM-EM-R是AMCOM的(de)砷化鎵HiFET MMIC功(gong)率(lv)放(fang)大(da)器(qi)系列(lie)的(de)一(yi)部(bu)分(fen)。這(zhe)(zhe)么高效(xiao)率(lv)MMIC是一(yi)個(ge)2級GaAs-pHEMT功(gong)率(lv)放(fang)大(da)器(qi),偏置(zhi)電(dian)壓為10~13V。輸(shu)入和(he)級間匹(pi)配網絡覆蓋2.5到4.5GHz。這(zhe)(zhe)個(ge)MMIC需要輸(shu)出(chu)外(wai)部(bu)匹(pi)配到您感(gan)興(xing)趣的(de)波(bo)段之(zhi)間2.5GHz至4.5GHz提供最大(da)帶寬靈活(huo)性。例如,一(yi)個(ge)可用(yong)的(de)評估委員(yuan)會在12V的(de)3.4到3.6GHz頻帶上(shang)具有超過17dB的(de)增益、10瓦(40dBm)的(de)飽和(he)輸(shu)出(chu)功(gong)率(lv)。該MMIC是一(yi)個(ge)陶瓷封(feng)(feng)裝(zhuang),在較(jiao)低的(de)封(feng)(feng)裝(zhuang)層(ceng)次(ci)上(shang)有射頻和(he)直(zhi)流引線(xian)(xian),以便于(yu)低成本SMT組件到PC板。當直(zhi)接安(an)(an)裝(zhuang)到印刷電(dian)路板上(shang)時,請參閱應用(yong)說(shuo)明(ming)AN700。由于(yu)高直(zhi)流功(gong)耗,我(wo)們強烈建議將這(zhe)(zhe)些設備直(zhi)接安(an)(an)裝(zhuang)在金屬散熱片上(shang)。AM254540WM-FM-R是安(an)(an)裝(zhuang)在鍍(du)金銅法蘭(lan)托架上(shang)的(de)AM254540WM-BM-R。新興(xing)市(shi)場(chang)封(feng)(feng)裝(zhuang)與FM封(feng)(feng)裝(zhuang)具有相同的(de)占地面(mian)積,采用(yong)直(zhi)引線(xian)(xian)和(he)銅/鎢法蘭(lan)代(dai)替(ti)銅法蘭(lan)。法蘭(lan)上(shang)有兩個(ge)螺孔,便于(yu)擰到金屬散熱器(qi)上(shang)。這(zhe)(zhe)個(ge)MMIC是符合(he)RoHS。

AM254540WM-EM-R共同點
規律用途從2.5到4.5GHz
高導出熱效率,P1dB=38dBm
高增益值(zhi)>17dB
從2.5到4.5GHz一致(zhi)的搜(sou)索
更高效(xiao)>35%
AM254540WM-EM-R使(shi)用(yong)
WiMAX新(xin)公司
MMDS
wifi手機(ji)內網中(zhong)繼器
12V應用(yong)軟件
AM254540WM-EM-R非常(chang)重要參數設置
率:2.5-4.5GHz
增益值:17
P1dB(DBM):38
PSAT(DBM):39
吸收率:35
VD(V):12
東莞市立維創展科技產(chan)業是AMCOM廠家總代銷商,其通常紅外光網(wang)絡(luo)帶(dai)寬產品(pin)涵蓋rf射(she)頻尖晶石管、MMIC工作電壓(ya)變成器(qi)、混和變成器(qi)控(kong)制方案、網(wang)絡(luo)帶(dai)寬變成器(qi)、高工作電壓(ya)變成器(qi)控(kong)制方案、帶(dai)RF和DC無線接插(cha)件的高輸出熱(re)(re)效率圖像(xiang)(xiang)放縮(suo)儀輸出模塊(kuai)和低背景噪聲(sheng)圖像(xiang)(xiang)放縮(suo)儀,輸出熱(re)(re)效率圖像(xiang)(xiang)放縮(suo)儀,按(an)鈕開(kai)關(guan),衰減器,移相(xiang)器并且上/下方變頻器這一(yi)物件器的高(gao)端(duan)定制(zhi)。