業方式
更新時刻:2019-12-18 14:27:00 瀏覽訪問:1886
HMC413是ADI的一種頻率范圍為1.6~2.2ghz的高轉化率的率異質結雙極晶狀體管MMIC電機功率放縮器。低人工成本,接觸面貼裝16針二極管封裝,裸防塵蓋,上升頻射和溫性能。它操作很小的外鏈pcb板來出示23db的增益控制,過飽和工作效率為29.5dbm(42%PAE),主機電源線電壓為5v。變小器還可與3.6V供電分著運作。VPD需用于手機省電模型或微波射頻傳輸工率電流值操縱。
HMC413的選用屬于(yu):蜂(feng)窩(wo)PCS3G、輕便式的設備和條件(jian)公用設施、無線網原生環路(lu)等。
HMC413重要(yao)性(xing)技術參數:
頻繁:1.6G - 2.2G
增益值(zhi):22
OIP3:40

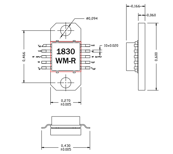
AM183030WM-EM-R是amcom的(de)GaAs-MMIC工作電(dian)壓拖動器(qi)(qi)。該拖動器(qi)(qi)在(zai)1.6~3.3ghz頻段內,增益值為(wei)30.5db,傳輸平(ping)均(jun)功率為(wei)30.5dbm。為(wei)有助控制(zhi)成本預算SMT拆卸(xie)到(dao)PC板上,本發(fa)明(ming)者都是其中(zhong)一種低層打包封(feng)裝(zhuang)(zhuang)類型中(zhong)頻射和整(zheng)流引線的(de)瓷器(qi)(qi)打包封(feng)裝(zhuang)(zhuang)類型。因(yin)此整(zheng)流耗電(dian)高(gao),建議大(da)家(jia)將這樣(yang)環保(bao)設備直接(jie)的(de)組裝(zhuang)(zhuang)在(zai)合(he)金散熱性能器(qi)(qi)上。
AM183030WM-EM-R的使用鄰域例如:無限移(yi)動上網、無限本地服(fu)務(wu)環路和(he)MMDS
AM183030WM-EM-R重要(yao)的因素
頻率(lv):1.6-3.3GHz
增(zeng)益控制(zhi):30.5
P1dB(DBM):30.5
PSAT(DBM):31.5
有效率:20
VD(V):8
AM183030WM-EM-R縮放器與HMC413縮(suo)(suo)放器的(de)聲(sheng)音頻率(lv)和適合(he)范疇更加接近,這兩種(zhong)縮(suo)(suo)放器是可相(xiang)互間替換的(de),同時在報價上卻懸(xuan)殊無數,AM183030WM-EM-R變小器頗具價額(e)的(de)優勢(shi),的(de)質量科(ke)學規范可以信(xin)賴,山東市立維(wei)創展(zhan)科技開發是(shi)AMCOM與(yu)ADI工廠(chang)的(de)代理(li)加盟代理(li)商(shang)商(shang),出具AMCOM與ADI的微(wei)波加熱元配(pei)件和集(ji)成(cheng)ic,喜(xi)愛資(zi)詢。