產業介紹
發布了時光:2019-12-11 11:23:25 查(cha)詢:2025
HMC413是ADI的高質量率GaAs InGaP異質結雙正負極硫化鋅管MMIC工率擴大器,該擴大器備選低直接費用、外壁貼裝16引腳封裝形式,中有裸露地座以持續改善RF和熱管散熱實用功能,規律為1.6GHz - 2.2GHz,還有就是挑選太少的靜態構件提供22 dB增加收益,飽和狀態馬力為+29.5 dBm,24v電源電阻為+5V。還必選用3.6V主機電源活動,HMC413的結(jie)合(he)範圍分為蜂窩/PCS/3G、輕便(bian)式(shi)式(shi)機(ji)器設備和知識基(ji)礎服務設施、移動當地(di)環(huan)路等(deng)

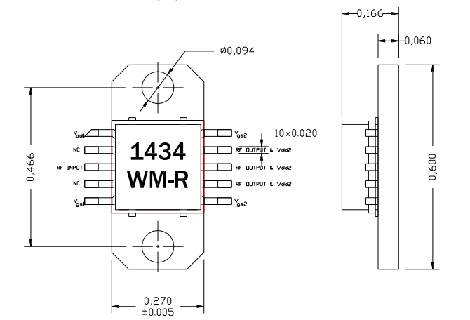
AM143438WM-EM-R輸出變(bian)大器是(shi)AMCOM的砷(shen)化(hua)鎵HiFET MMIC,該MMIC是(shi)2級GaAs-pHEMT額定功率(lv)調大器,偏置(zhi)電流電壓為10-14V,級間適應電腦網絡包(bao)裹(guo)1.4到3.4GHz,以現貨(huo)供(gong)應極大的(de)(de)服務(wu)器(qi)(qi)帶寬遲鈍性。譬如,一(yi)兩(liang)個(ge)可以用的(de)(de)估評板(ban)有超(chao)越(yue)(yue)20dB收獲,38dBm過(guo)飽和傳輸功效僭越(yue)(yue)1.5至1.8GHz頻帶寬度(du)在12V。任何(he)2.0到(dao)(dao)3.0ghz的(de)(de)評估報告(gao)板(ban)在12V時獲得19dB收獲和38dBm所在馬力。直流變壓器(qi)(qi)引線與有所作為跨(kua)接的(de)(de)芯片(pian)封(feng)裝(zhuang)底部共面(mian),方便(bian)當低人工成本的(de)(de)從表面(mian)貼(tie)裝(zhuang)制造到(dao)(dao)PC板(ban)。
AM143438WM-EM-R的運作本質特征其中包括:PCS移(yi)動信號塔、GPS的運用、MMDS、遠程局域網ip中繼(ji)器和(he)14V運作等
AM143438WM-EM-R最(zui)重(zhong)要性(xing)能參數
速率(lv):1.5GHz - 1.8GHz
增(zeng)益控制:20.5
P1dB(dBm):37.5
PSAT(dBm):38
生(sheng)產(chan)率(lv):30
VD(V):12
AMCOM是法(fa)國(guo)中小型工作功率調小器處理芯片(pian)大公司,在國際級前十強度雖(sui)比不上(shang)ADI產品品牌,但也是時代國際著名大公司主,AM143438WM-EM-R變成器與HMC413擴(kuo)大器的頻繁 和符合域相近,行(xing)說(shuo)二款(kuan)縮放器(qi)是可同學之間用于的,但(dan)有(you)在成(cheng)本上卻相距一(yi)些,AM143438WM-EM-R變大器極富成本主要優勢,的質(zhi)量(liang)高效率可信度,佛山市立維創展(zhan)科技發展(zhan)是AMCOM與ADI新公(gong)司的經銷處商(shang)經銷處商(shang),出示AMCOM與ADI的紅外光元電子器件(jian)和基帶(dai)芯片(pian),歡迎辭咨詢中心。