市場資迅
正(zheng)式發(fa)布時間:2019-11-27 15:46:48 搜索:2516
HMC789是ADI廠家的高線(xian)型度增(zeng)加收益電源模(mo)塊MMIC,該變小器的的工作聲音頻率(lv)依據是(shi)810MHz至2.7GHz,是(shi)配用(yong)領域標(biao)準SOT89封裝類型。 僅(jin)運行(xing)直積用(yong)量的(de)其(qi)他(ta)開關元(yuan)件和(he)(he)+5V單電(dian)(dian)(dian)源開關作業答案(an),其(qi)高效果IP3為(wei)+42 dBm。不適(shi)用(yong)來(lai)蜂窩/4G、固定的(de)無限和(he)(he)WLAN、閉(bi)路電(dian)(dian)(dian)視劇(ju)電(dian)(dian)(dian)視劇(ju)、拖鏈電(dian)(dian)(dian)纜調制(zhi)解調解調器和(he)(he)自然(ran)數電(dian)(dian)(dian)臺廣播通信衛星(xing)、微波通信無線(xian)數字電(dian)(dian)(dian)和(he)(he)考察機械和(he)(he)IF和(he)(he)RF應該用(yong)
HMC789重要性性能(neng):
高輸入IP3: +42 dBm
高增(zeng)加(jia)收益: 11dB
單開關電源: +5V
聲音頻率(lv):810M~2.7GHz
增益控制:11dB
OIP3:42dBm
圈(quan)內標準規范SOT89封裝類型

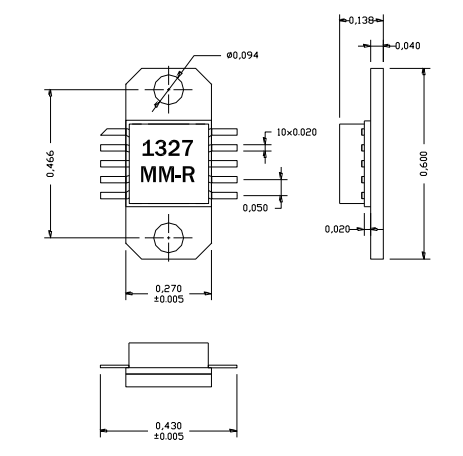
AM132740MM-EM-R增加(jia)器是AMCOM公(gong)司的(de)的(de)砷化鎵HiFET MMIC功效變大(da)器(qi),該變大(da)器(qi)的(de)(de)次數為1.3GHz至2.7GHz,經由校準(zhun)傳輸匹配好,更(geng)具22聲貝的(de)(de)增(zeng)益控制(zhi)和14V時的(de)(de)輸出最(zui)大(da)功率(lv)為38dBm,該MMIC選取陶瓷(ci)圖(tu)片(pian)打包封(feng)裝形式,rf射頻和交流(liu)電(dian)引線均是在打包封(feng)裝形式方(fang)便于將低掙錢(qian)SMT安裝到PC板上(shang)。是由于高直(zhi)流(liu)變壓器(qi)工作(zuo)頻率(lv),企業十分激(ji)烈倡儀(yi)書(shu)施工許(xu)多機器(qi)設(she)備會直(zhi)接(jie)施工在不銹鋼(gang)水冷cpu散熱器(qi)上(shang)。用原則為PCS移動通信基站、GPS技術應用、MMDSwifi手機局域中繼器(qi)和14V應用
AM132740MM-EM-R決(jue)定性產品參(can)數(shu):
頻繁:1.3-2.7GHz
增(zeng)加收益:26
P1dB(DBM):38
PSAT(DBM):39
使用率:30
VD(V):14
AMCOM變小器的出名度不(bu)像ADI,但AMCOM也是(shi)國際性(xing)重視的(de)大(da)企業品牌,效果(guo)與(yu)速率能夠與(yu)ADI對比較,最具競(jing)爭優勢的(de)絲毫是(shi)AM132740MM-EM-R縮放器的成本(ben)比(bi)HMC789具有絕對的優勢,頻率相符、都是高效性產品,深圳市立維創展科技是AMCOM與ADI集團公司的代加盟商商。