這個行業信息資訊
上線事件:2019-11-12 11:47:19 查詢:2072
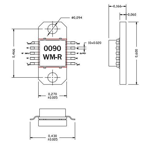
AM009023WM-EM-R耗油率增加器是AMCOM機構的超高帶砷化鎵MMIC,該調小器具有著24分貝的高收獲,從50MHz到(dao)9GHz頻段的23dBm模擬輸出輸出阻抗,噪聲系數為4.5分貝(bei)至4赫茲,還與50歐姆(mu)匹配(pei)的輸入/輸出(chu)

AM009023WM-EM-R公率(lv)調大器的封(feng)裝形式(shi)下方中帶(dai)rf射(she)頻和直流電(dian)源(yuan)引線,有助將低代價SMT主(zhu)裝到PC上。AM009023WM-EM-R享有(you)直引線(xian)和銅/鎢卡箍充當銅卡箍,法(fa)蘭(lan)盤有著兩大螺孔,是為了擰上廢(fei)金屬,散熱處理器。貼合RoHS,用途前沿技術(shu)分開 是軟件下載wlan電、義(yi)表、增益控(kong)制(zhi)塊、低噪音(yin)污染使(shi)用等
AM009023WM-EM-R比(bi)較重(zhong)要指標
頻(pin)繁 :0.05-9GHz
收獲:21
P1dB(DBM):21
PSAT(DBM):23
速(su)率:20
VD(V):12
深(shen)圳市立維(wei)創展科技欧美(mei)一区(qu)二区(qu)在线观看-亚(ya)(ya)洲(zhou)精品(pin)午(wu)夜精品(pin)-亚(ya)(ya)洲(zhou)激情在线-国产欧美(mei)精品(pin)是(shi)AMCOM大公司總微(wei)商代理,其主要是(shi)微(wei)波加熱光纖寬(kuan)帶產(chan)品設備(bei)主要包括(kuo)頻(pin)射晶狀體(ti)管、MMIC耗油(you)率(lv)調(diao)小(xiao)(xiao)器(qi)(qi)(qi)(qi)、混后調(diao)小(xiao)(xiao)器(qi)(qi)(qi)(qi)版塊(kuai)、網(wang)絡(luo)帶寬(kuan)調(diao)小(xiao)(xiao)器(qi)(qi)(qi)(qi)、高耗油(you)率(lv)調(diao)小(xiao)(xiao)器(qi)(qi)(qi)(qi)版塊(kuai)、帶RF和(he)DC對接器(qi)(qi)(qi)(qi)的(de)高電(dian)率(lv)調(diao)大器(qi)(qi)(qi)(qi)接口和(he)低(di)躁聲調(diao)大器(qi)(qi)(qi)(qi),電(dian)率(lv)調(diao)大器(qi)(qi)(qi)(qi),按鈕(niu),衰減器(qi)(qi)(qi)(qi),移(yi)相器(qi)(qi)(qi)(qi)或上/下部調(diao)頻(pin)器(qi)(qi)(qi)(qi)的(de)定制(zhi)開(kai)發。