HMC394LP4低的噪音GaAs HBT可語言編程5位數值器 期貨
發布了時光:2019-02-26 17:20:32 查看:1781
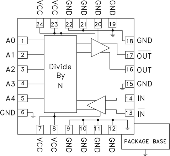
HMC394LP4(E)一款低躁音GaAs HBT可程序編寫5位數值器,適用4x4 mm無鉛外表面貼裝封裝。 在顯示速率更是高達2.2 GHz時,該元件可在N為2至32面積去累計分頻。 效果電壓值擺幅為800 mV,占空比與N反比。100 kHz絮亂時,該數值器的加性SSB相位躁音低至?153 dBc/Hz,比較符合低躁音速率鑲嵌器應用軟件。
|
品牌
|
型號
|
貨期
|
庫存
|
|
ADI
|
HMC394LP4
|
1周
|
90
|
假如您想要買入HMC394LP4,請打開網頁右邊軟件客服保持聯系.我!!!
應用
優勢和特征
-
SSB相位噪聲: -153 dBc/Hz(100 kHz)
-
可選分頻:2至32
-
并行5位控制
-
寬輸入功率范圍: -20至+10 dBm
-
4x4 mm無鉛SMT封裝
示意圖

深圳市立維創展科技代理銷售ADI現貨產品,致力于為廣大客戶提供低價格、高質量、有保障的產品,提供優質的售前與售后服務技術。如您有任何產品需求以及服務請聯系我們客服人員,我們會再第一時間內為您解決問題。