業新聞資訊
正式發布(bu)事件:2019-02-25 11:12:58 手機(ji)瀏覽:2176
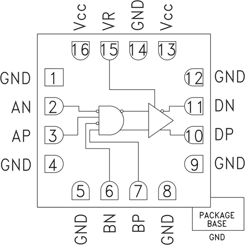
HMC746有的是種AND / NAND / OR / NOR功能(neng)鍵,契機認可(ke)(ke)(ke)可(ke)(ke)(ke)可(ke)(ke)(ke)以達到13 Gbps的數據報告網(wang)絡傳(chuan)輸(shu)速度和可(ke)(ke)(ke)可(ke)(ke)(ke)以達到13 GHz的石英(ying)鐘頻(pin)繁(fan)。HMC746可(ke)(ke)(ke)以很可(ke)(ke)(ke)能(neng)地(di)配(pei)制(zhi)為出(chu)示以內某(mou)些結構功用:AND,NAND,OR和NOR。HMC746還兼有傳(chuan)輸(shu)電平管控引(yin)腳VR,可(ke)(ke)(ke)做(zuo)到自(zi)然損(sun)耗補償的或走勢電平整(zheng)合。
HMC746的因此輸入和傷害的信號均以50歐姆至V cc片(pian)內端接,能是溝通或直流電源藕合(he)。復(fu)制粘貼和輸(shu)出(chu)電壓就可以可以聯(lian)接到50歐姆至V cc端接體統,而要是端接體統保護接地50歐姆,則需要動用(yong)隔直濾波電(dian)容。HMC746通(tong)過(guo)+ 3.3V單外接電(dian)源供(gong)電(dian)公司,通(tong)過(guo)按(an)照RoHS規則的瓷磚(zhuan)3x3 mm SMT二極管封(feng)裝。
若是您要買HMC746LC3C,請打開網頁左側人工客服連系我們的!!!
品牌
型號
貨期
庫存
ADI
HMC746LC3C
1周
90
使用
優勢和特征
22/21 ps
工作輸出電流電壓擺幅:600 - 1100 mV
SMT裝封:9mm2
示意圖
