HMC409LP4E/HMC409LP4ETR高率額定功率拖動器 ADI現貨交易
更(geng)新時期:2018-06-26 11:07:05 觀(guan)看:7547
HMC409LP4(E)就是一款質量率GaAs InGaP HBT MMIC效率縮放器,工作的次數規模為3.3至3.8 GHz。 該縮放器運用成本調整低、無鉛SMT封口。 它運用較少的表面組件,帶來了31 dB收獲,趨于穩定效率為+32.5 dBm,電源適配器端電壓為+5V。 效率調整(Vpd)可作于全節電狀態或RF導出效率/電壓調整。 來說+22 dBm OFDM導出效率(64 QAM, 54 Mbps),HMC409LP4(E)可保證2%的出現偏差的原因矢量素材降幅(EVM),可以需求WiMAX 802.16線型度符合要求。
|
品牌
|
型號
|
描述
|
貨期
|
庫存
|
|
ADI
|
HMC409LP4E
HMC409LP4ETR
|
1 W功率放大器SMT,3.3 - 3.8 GHz
|
現貨
|
237
|
HMC409LP4應(ying)用(yong)
-
WiMAX 802.16
-
固定無線接入
-
無線本地環路
HMC409LP4優勢和特點
-
增益: 31 dB
-
40% PAE (+32.5 dBm pout)
-
2% EVM (Pout = +22 dBm)
具有54 Mbps OFDM信號
-
+46 dBm輸出IP3
-
集成功率控制(Vpd)
-
+5V單電源
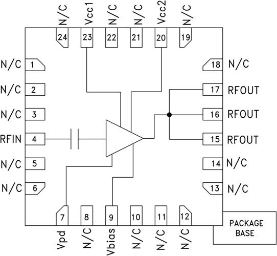
HMC409LP4結構圖
