AD7980ARMZ齒條參數換為器(ADC) 代理加盟現貨交易
推出(chu)時間:2019-02-18 14:00:32 瀏(liu)覽(lan)記(ji)錄:1883
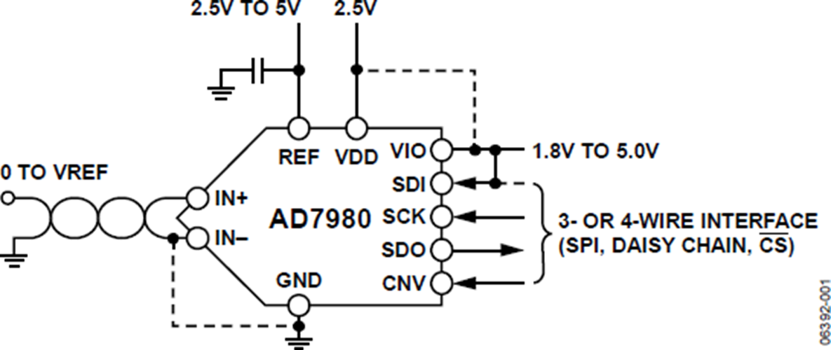
AD7980ARMZ不是款16位、逐次突破型系數改變器(ADC),選取單外接電源開關(VDD)送電。它內設一兩個低耗電量、快速路、16位監測ADC和一兩個多系統串行音頻接口端口設置。在CNV升沿,該電子元器件對IN+與IN-中的養成鍵盤輸入電阻差來監測,規模從0 V至REF。基準價電阻(REF)由外接提高,但會能獨立性于外接電源開關電阻(VDD)。耗電量和吞吐速率單位呈規則化發生改變影響。
SPI兼容串行模塊還才可以借助SDI搜索,將多少ADC以大菊花鏈方式鏈接到三條二線式數據總線上,并供應先選的再怎么忙指的是。利用獨立空間外接電源VIO時,它與1.8V、2.5V、3V和5V邏輯性兼容。
AD7980ARMZ所采用10引腳MSOP裝封或10引腳QFN (LFCSP)裝封,事業溫條件為?40°C至+125°C。
|
品牌
|
型號
|
貨期
|
庫存
|
|
ADI
|
AD7980ARMZ
|
1周
|
50
|
若是您需要購AD7980ARMZ,請點選右邊客服在線保持咨詢我們大家!!!
AD7980ARMZ應用
AD7980ARMZ優勢和特點
-
16位分辨率、無失碼
-
呑吐速率:1 MSPS
-
低功耗
4 mW(1 MSPS,僅VDD)
7 mW(1 MSPS,總功耗)
70 μW (10 kSPS)
-
INL:典型值±0.6 LSB,最大值±1.25 LSB
-
信納比(SINAD):91.25 dB(10 kHz時)
-
THD:-110 dB(10 kHz時)
-
欲了解更多特性,請參考數據手冊
AD7980ARMZ扶持防務和航空航天材料部航天部應用(AQEC準則)
-
下載AD7980-EP數據手冊(pdf)
-
受控制造基線
-
唯一封裝/測試廠
-
唯一制造廠
-
增強型產品變更通知
-
認證數據可應要求提供
-
軍用溫度范圍(?55℃至+125℃)
-
V62/12640 DSCC圖紙號
AD7980ARMZ示意圖
