HMC515LP5E/HMC515LP5ETR雙旋光性結晶體管 ADI加盟現貨平臺
發布(bu)了(le)日期:2019-01-23 09:49:37 訪問 :2075
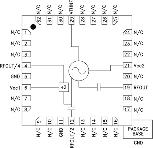
HMC515LP5E有的是款GaAs InGaP異質結雙正負晶胞管(HBT) MMIC VCO。 HMC515LP5(E)集成為諧振器、負電容配件和變容肖特基二極管,可轉換半頻,并提拱6分頻轉換。 原因自由自激振蕩器的單電子器件構造,VCO的相位嘈音性能指標在高溫、沖刺和技術必要條件下均如此好品質。 使用+5V電原額定電流值時,轉換效率為+10 dBm(典型案例值)。 一旦不還要,不錯不可用預分頻器工作以最省功率。 該額定電流值有效控制自由自激振蕩器使用無引腳QFN 5x5 mm表貼打包封裝,不可外面一致構件。
|
品牌
|
型號
|
貨期
|
|
ADI
|
HMC515LP5E
HMC515LP5ETR
|
1周
|
|
如若您需要購買HMC515LP5E/HMC515LP5ETR,請點擊右側客服聯系我們!!!
|
軟件
-
VSAT無線電
-
點對點/多點無線電
-
測試設備和工業控制
優勢和特點
-
雙路輸出: Fo = 11.5 - 12.5 GHz
Fo/2 = 5.75 - 6.25 GHz
-
Pout: +10 dBm
-
相位噪聲: 典型值為-110 dBc/Hz(100 kHz)
-
無需外部諧振器
-
QFN無引腳SMT封裝,25 mm2
構(gou)成圖
