HMC659LC5/HMC659LC5TR數據集中式電機功率擴大器 符合細則RoHS細則 ADI期貨經銷商商
推(tui)送事件:2018-06-25 14:26:35 閱讀:7997
HMC659LC5一款GaAs MMIC PHEMT地域分散式操作效率變大器,應用遵循RoHS基準的5x5 mm無引腳工業陶瓷表貼封口,在DC到15 GHz的規律區域內操作。該變大器帶來19 dB增益控制控制、+35 dBm轉換IP3和+27.5 dBm轉換操作效率(1 dB增益控制控制壓縮的),工作電壓為300mA(應用+8V外接電源)。
HMC659LC5在DC - 15 GHz時間范圍內出示±0.7 dB的愈來愈出色增益控制平滑度,故而愈來愈適EW、ECM、預警雷達和測試方法機 應用。HMC659LC5圖像功率放大器I/O里面的匹配好50 Ω,不要外界電子器件。HMC659LC5與高存儲空間表貼制造廠技術設備兼容。
|
品牌
|
型號
|
描述
|
貨期
|
庫存
|
|
ADI
|
HMC659LC5
HMC659LC5TR
|
功率放大器,采用SMT封裝,DC - 15 GHz
|
現貨
|
173
|
HMC659LC5應用
-
電信基礎設施
-
微波無線電和VSAT
-
軍事和太空
-
測試儀器儀表
-
光纖產品
HMC659LC5優勢和特點
-
P1dB輸出功率:+27.5 dBm
-
增益:19 dB
-
輸出IP3:+35 dBm
-
電源電壓:+8V(300 mA時)
-
50 Ω匹配輸入/輸出
-
32引腳陶瓷5x5mm
SMT封裝:25mm2
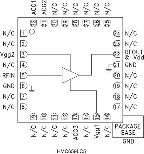
HMC659LC5結構圖
