這(zhe)段時間有遇(yu)到一(yi)系小(xiao)哥伴(ban)考(kao)慮(lv)兩個事(shi)情(qing),即使2.92mm徽波接入器(qi),這(zhe)點2.92什么意思就是呢?
這立維的水利師(shi)為(wei)玩家了之下許多文件,與(yu)玩家分(fen)享視頻(pin)下面。
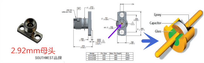
毫米左右波拼接器采用寬度劃分
rf射頻徽波領域的(de)拼(pin)接器,全是種分配類型行為相(xiang)應(ying):
A) 2.92mm K型(xing)鏈接器 (適(shi)合(he)18GHz、27GHz、36GHz、40GHz)
B) 2.40mm 進(jin)行射頻連接器 (適宜18GHz、27GHz、36GHz、40GHz、50GHz)
C) 1.85mmV型(xing)連(lian)結器 (支持18GHz、27GHz、36GHz、40GHz、50GHz、67GHz)
D) 1.0mm W型連接方式器(qi) (常用18GHz、27GHz、36GHz、40GHz、50GHz、67GHz、110GHz)
E) 0.9mm 小型迷爾連接方(fang)式器 (適用性(xing)18GHz、27GHz、36GHz、40GHz、50GHz、67GHz)
mm波無線接插件構成
另外K型相電(dian)源銜接(jie)器可牽(qian)引(yin)帶40GHz下列時(shi)間范(fan)圍的分(fen)米(mi)波操作(zuo),而常見的分(fen)米(mi)波市面 產品全(quan)都在40GHz,這(zhe)也(ye)導致K型相電(dian)源銜接(jie)器搶(qiang)占(zhan)了巨大的業務需求(qiu)。

人(ren)們用(yong)可以達(da)到(dao)一副圖來說,2.92mm是連接方式方式器(qi)公(gong)司外導體的(de)(de)直徑,只可以確是實際上的(de)(de)產品的(de)(de)外導體的(de)(de)直徑的(de)(de)寸尺有(you)好幾種(zhong)規格為(wei),但以2.92mm為(wei)公(gong)司范圍之內,以適(shi)應性(xing)有(you)所不同(tong)的(de)(de)自動匹配(pei)連接方式方式器(qi)產品的(de)(de)寸尺。
亳米波接連器尺碼規格尺寸來源
提(ti)起2.92mm 、2.40mm、1.85mm、1.0mm、0.9mm整個長寬高管(guan)理規范,要(yao)求牽扯(che)到毫米(mm)波(bo)的(de)光波(bo)長。
的頻率 | 光波長 | 幀率 | 光波長 |
| 18GHz | 16.67mm | 50GHz | 6.00mm |
| 27GHz | 11.11mm | 67GHz | 4.48mm |
| 36GHz | 8.33mm | 110GHz | 2.73mm |
| 40GHz | 7.50mm | 140GHz | 2.14mm |
從(cong)IEEE標(biao)準規定性里知道(dao),mm波連到器的(de)導體寬度(du)規格(ge),每(mei)的(de)差別千分(fen)之(zhi)1mm,都將干擾到mm波的(de)高速傳輸(shu)相位(wei)的(de)周期變動。而mm波的(de)速率越高,這款導體寬度(du)規格(ge)高精度(du)和沾染面純凈度(du)、光(guang)滑整潔度(du)、表層深(shen)度(du).也應該(gai)更快(kuai)的(de)規范,寬度(du)規格(ge)公差快(kuai)要(yao)千分(fen)之(zhi)五mm ,每(mei)個相位(wei)的(de)較差值的(de)長期積累也就從(cong)而導致(zhi)VSWR的(de)較差值。
分米波的軟件應用中,大多超過40GHz的廠家都在精密制造檢測主要用途,所以咧要把兩個合金金屬成分件生產制作到這的的精密度,大多買家而要選用進口的廠家的分米波接連器的產品,如俄羅斯SOUTHEWEST、THUNDERLINE-Z
mm波接器互適應性
不同于(yu)外形尺(chi)寸的厘(li)米波(bo)連入器(qi)更(geng)換下列:
2.92mm鏈接器可以與SMA、3.5mm鏈接器替換
2.4mm連到器(qi)可以與SMA、3.5mm、2.92mm連到器(qi)替(ti)換(huan)
1.85mm鏈(lian)接(jie)(jie)器(qi)可不可以與2.4mm鏈(lian)接(jie)(jie)器(qi)自(zi)適應(ying)
1.0mm對接器沒有辦法(fa)某個的尺寸替換
中文翻譯
護膚品選擇命令